GM Service Manual Online
For 1990-2009 cars only
Makes
🢒
Chevrolet
🢒
2007
🢒
Epica
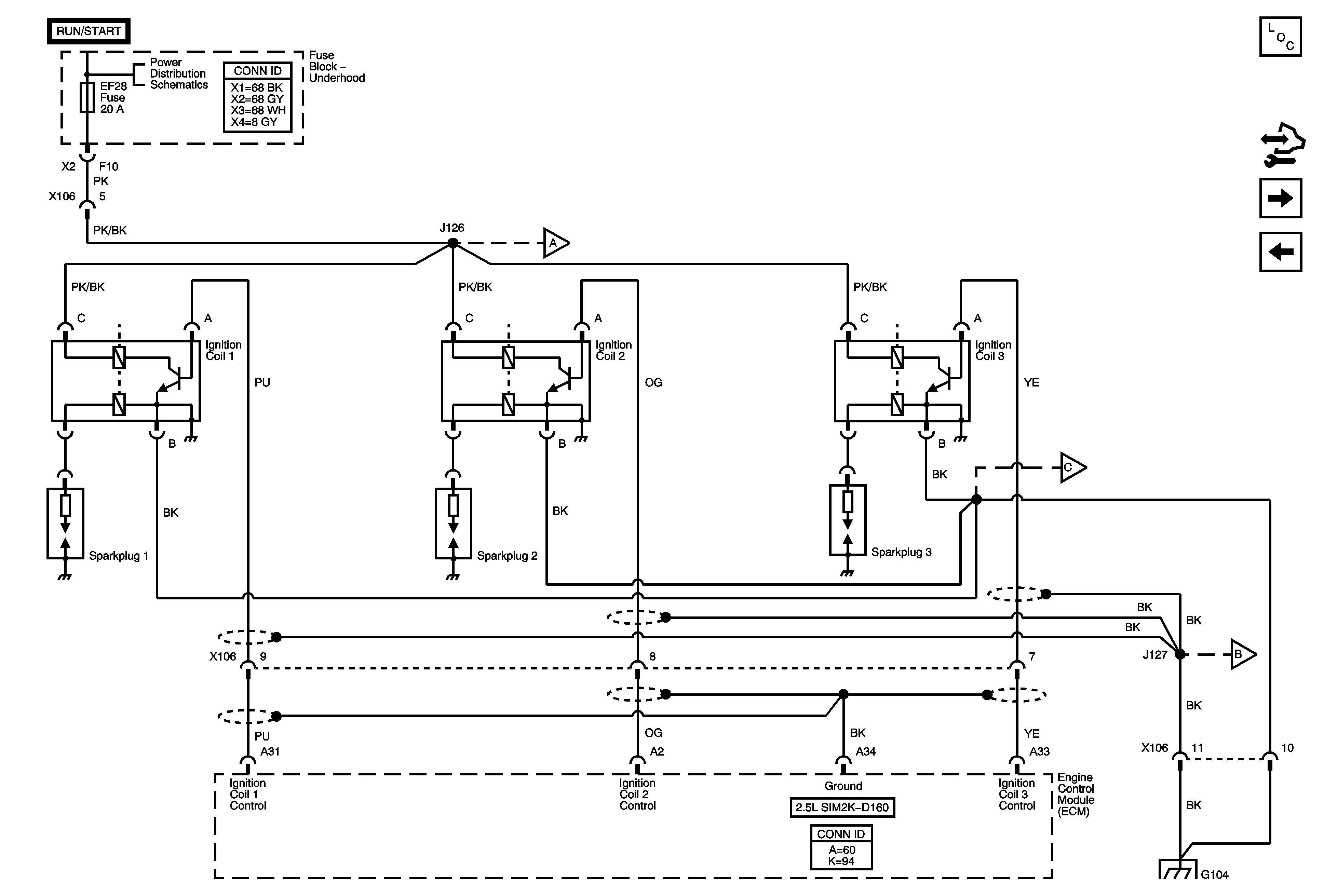
🢒 Ignition Coils (1 of 2)
Ignition Coils (1 of 2)
Ignition Coils (1 of 2)
Master Electrical Component List
Control Module References
Ignition Coils (2 of 2)
Accelerator Pedal Position Sensors, TP Sensors, Throttle Actuator Control Motor
Alternator, EF1, EF3, EF5, EF18, EF19, EF27, EF30, EF33 Fuses
Ignition Coils (2 of 2)
Ignition Coils (2 of 2)
Ignition Coils (2 of 2)
G104