GM Service Manual Online
For 1990-2009 cars only
Makes
🢒
Chevrolet
🢒
2007
🢒
Epica
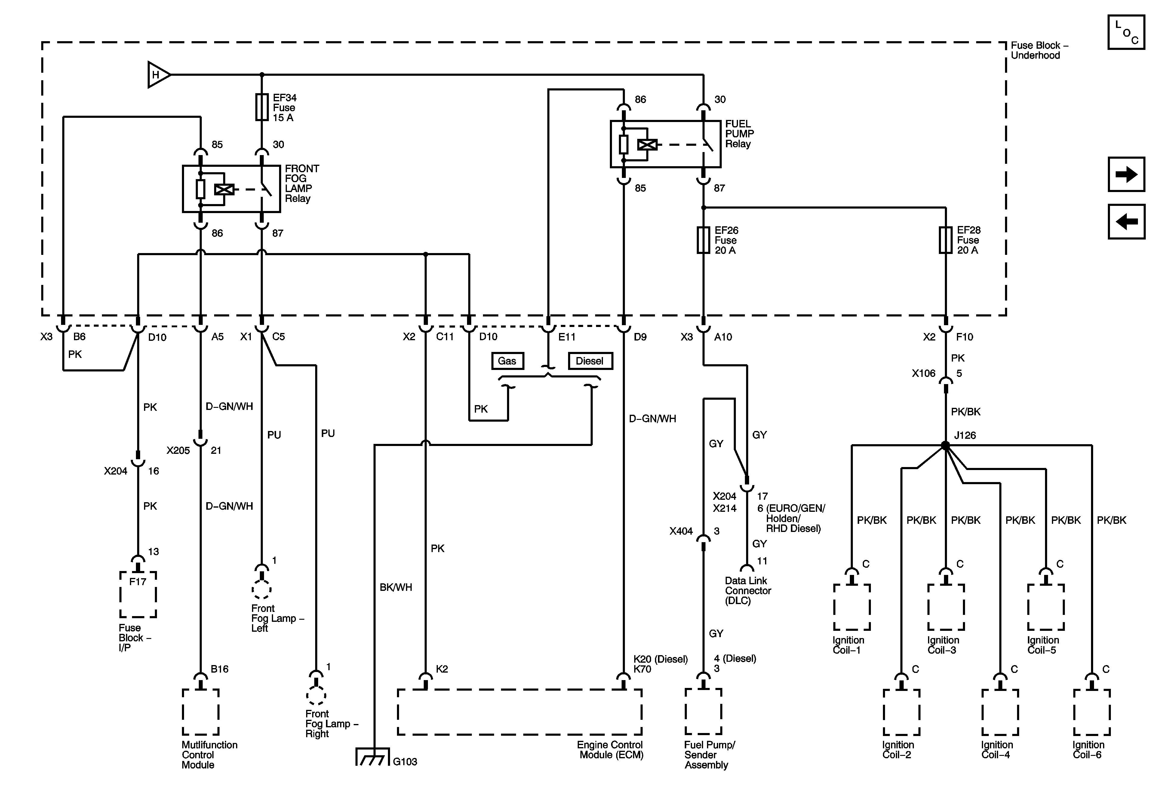
🢒 EF26, EF28, EF34, Fuses
EF26, EF28, EF34, Fuses
EF26, EF28, EF34 Fuses
Master Electrical Component List
F8, F9, F15, F22 Fuses
EF17, EF21, EF23, EF35, EF36, EF37 Fuses
EF17, EF21, EF23, EF35, EF36, EF37 Fuses
G103, G105, G201