GM Service Manual Online
For 1990-2009 cars only
Makes
🢒
Chevrolet
🢒
2007
🢒
Epica
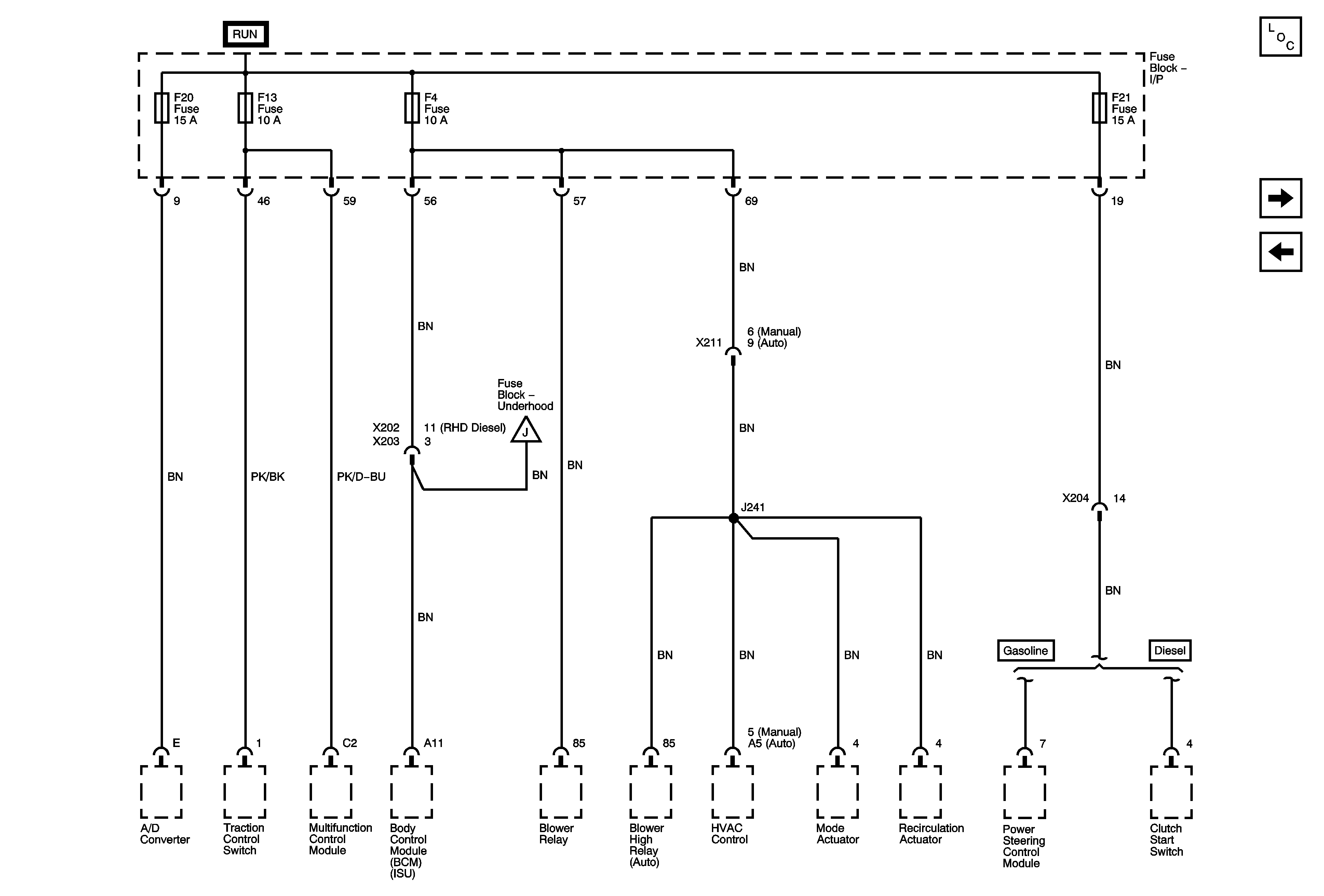
🢒 F4, F13, F20, F21 Fuses
F4, F13, F20, F21 Fuses
F4, F13, F20, F21 Fuses
Master Electrical Component List
F5, F6, F7, F14 Fuses
F1, F2, F3, F11, F18 Fuses
EF17, EF21, EF23, EF35, EF36, EF37 Fuses