GM Service Manual Online
For 1990-2009 cars only
Makes
🢒
Chevrolet
🢒
2008
🢒
Epica
🢒
Transmission/Transaxle
🢒
Shift Lock Control
🢒 Shift Lock Control Schematics
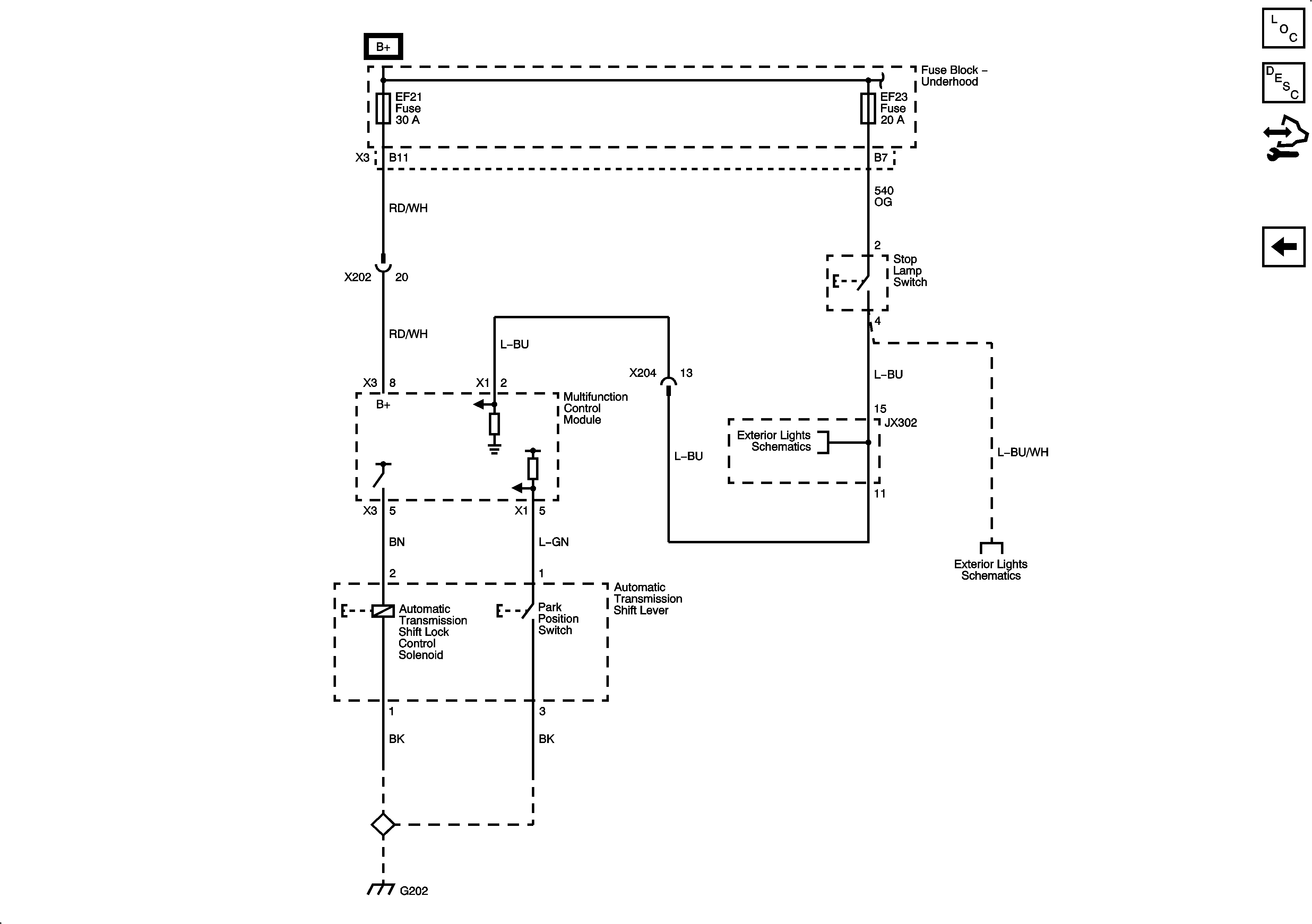
Figure
1:
M98/MH8
Master Electrical Component List
Transmission General Description
Control Module References
MH7
B+ Bus
Stop Lamps
Stop Lamps
G202, 1 of 2
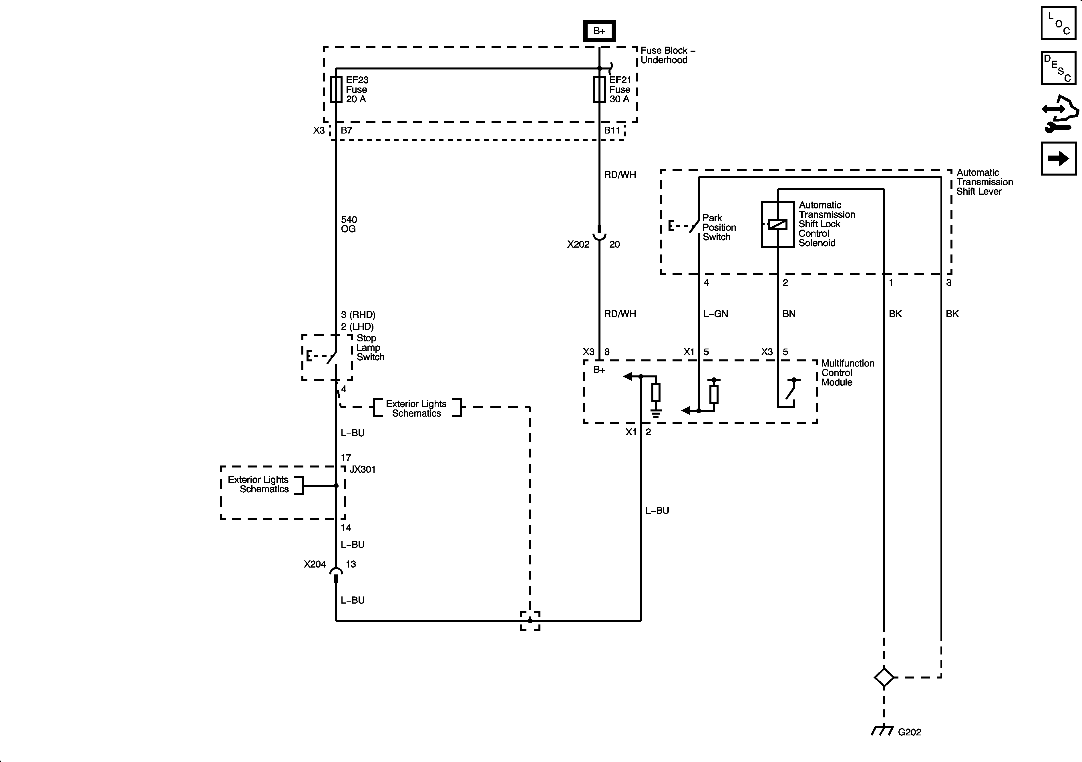
Figure
2:
MH7
Master Electrical Component List
Transmission Component and System Description
Control Module References
M98/MH8
B+ Bus
Stop Lamps
Stop Lamps
G202, 1 of 2