GM Service Manual Online
For 1990-2009 cars only
Makes
🢒
Chevrolet
🢒
2008
🢒
Epica
🢒
Roof
🢒
Sunroof
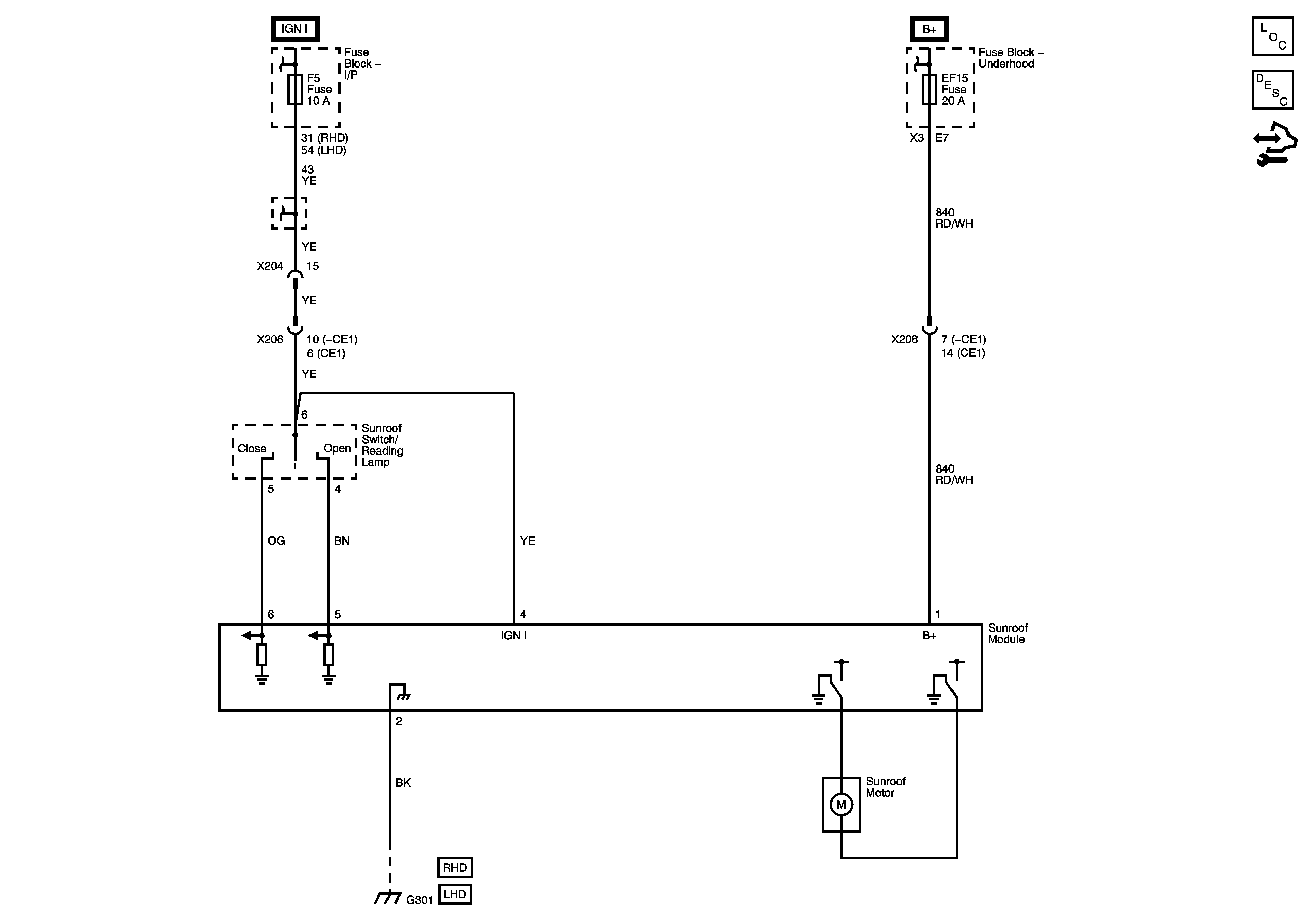
🢒 Sunroof Schematics
Master Electrical Component List
Sunroof Description and Operation
Control Module References
Ignition Switch
B+ Bus
Fuse Block - I/P F5, F6, F7, F14 Fuses
G301 (LHD)
G301 (RHD)