GM Service Manual Online
For 1990-2009 cars only
Makes
🢒
Chevrolet
🢒
2008
🢒
Epica
🢒 Hydraulic Brake Schematics
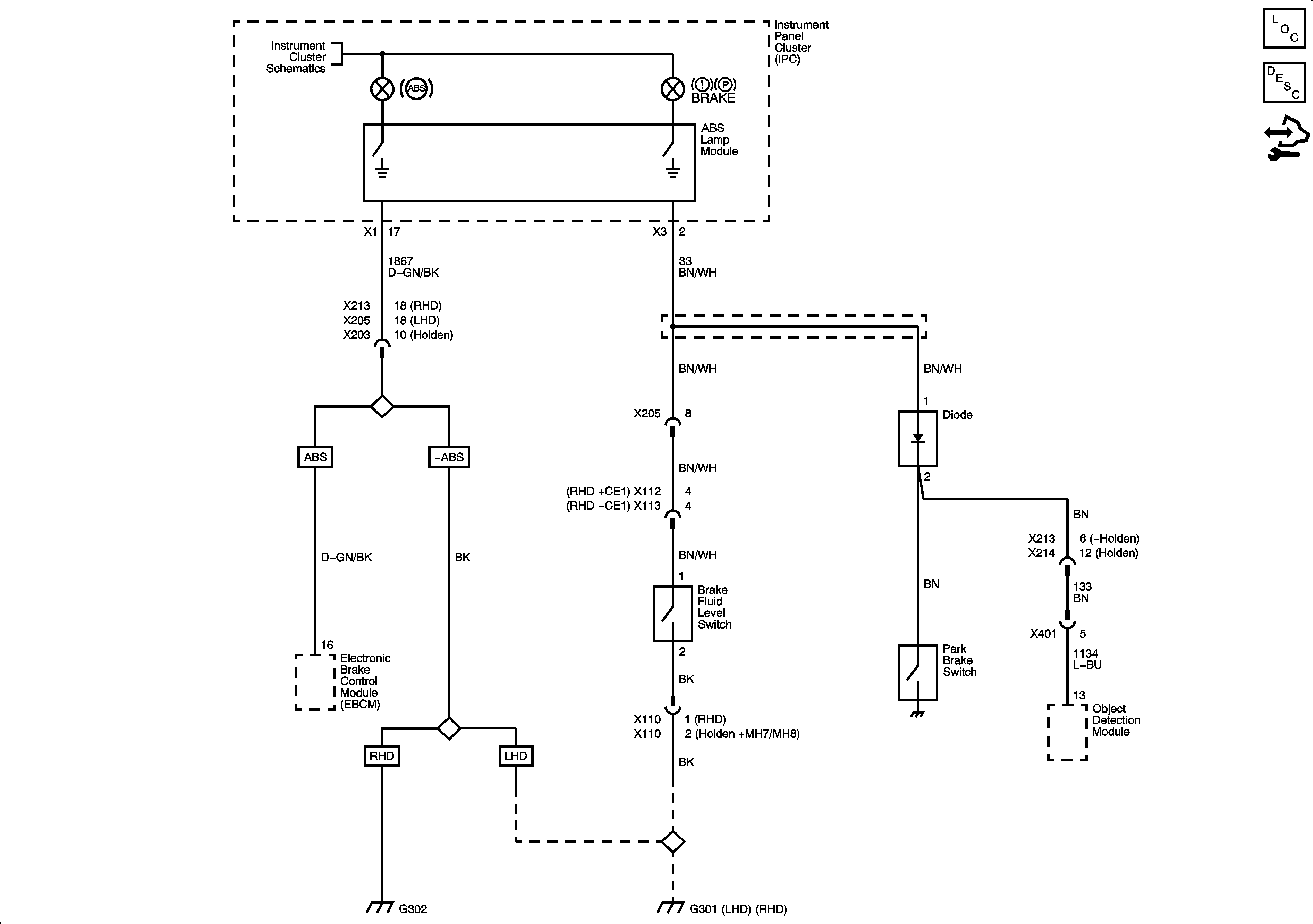
Hydraulic Brake Schematics
Master Electrical Component List
Brake Warning System Description and Operation
Control Module References
Indicators 1 of 3
G302 (RHD)
G301 (LHD)
G301 (RHD)