GM Service Manual Online
For 1990-2009 cars only
Makes
🢒
Chevrolet
🢒
2008
🢒
Epica
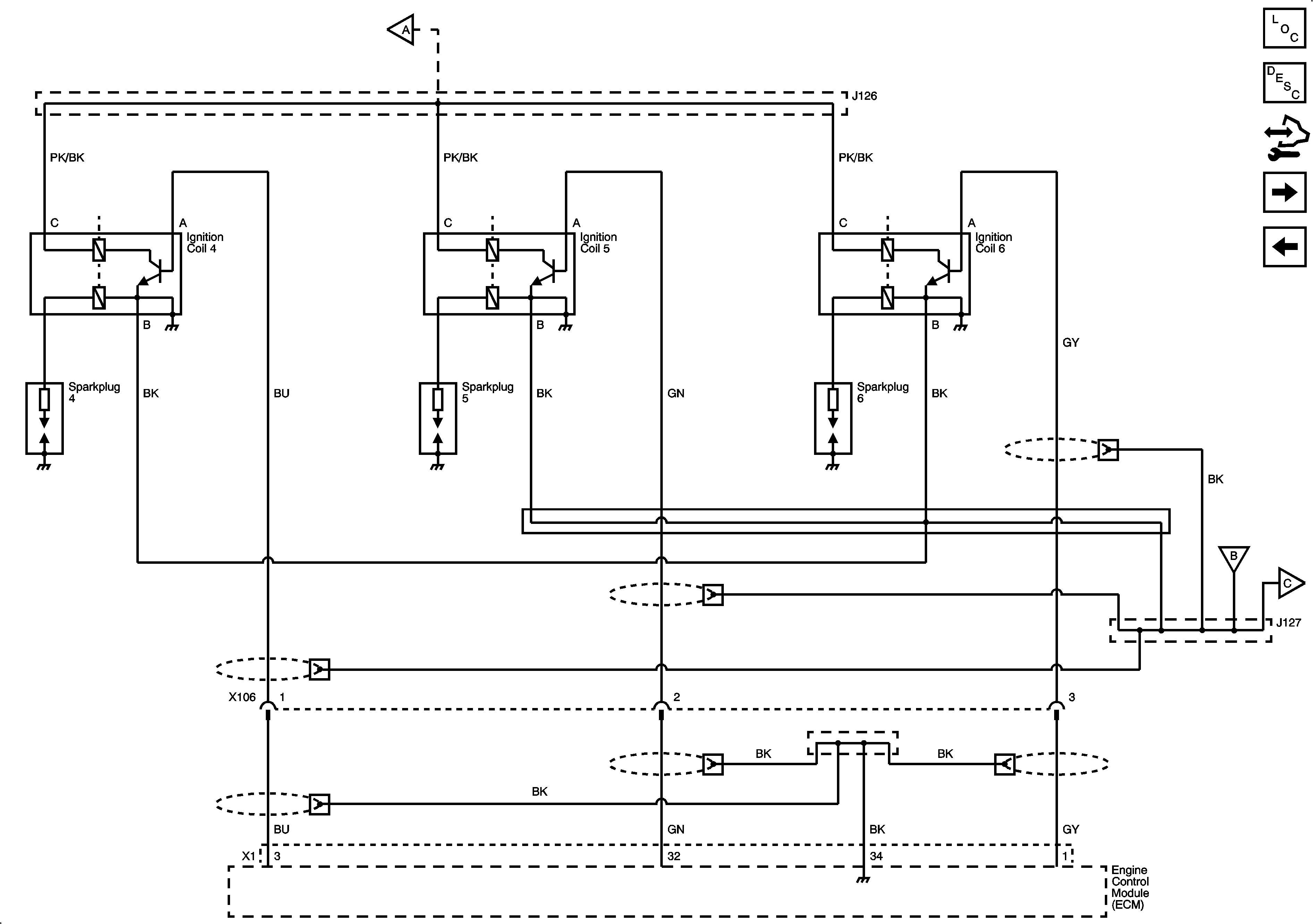
🢒 Ignition System, 2 of 2
Ignition System, 2 of 2
Ignition System, 2 of 2
Master Electrical Component List
Electronic Ignition (EI) System Description
Control Module References
Ignition Controls - Sensors
Ignition System, 1 of 2
Ignition System, 1 of 2
Ignition System, 1 of 2