GM Service Manual Online
For 1990-2009 cars only
Makes
🢒
Chevrolet
🢒
2008
🢒
Epica
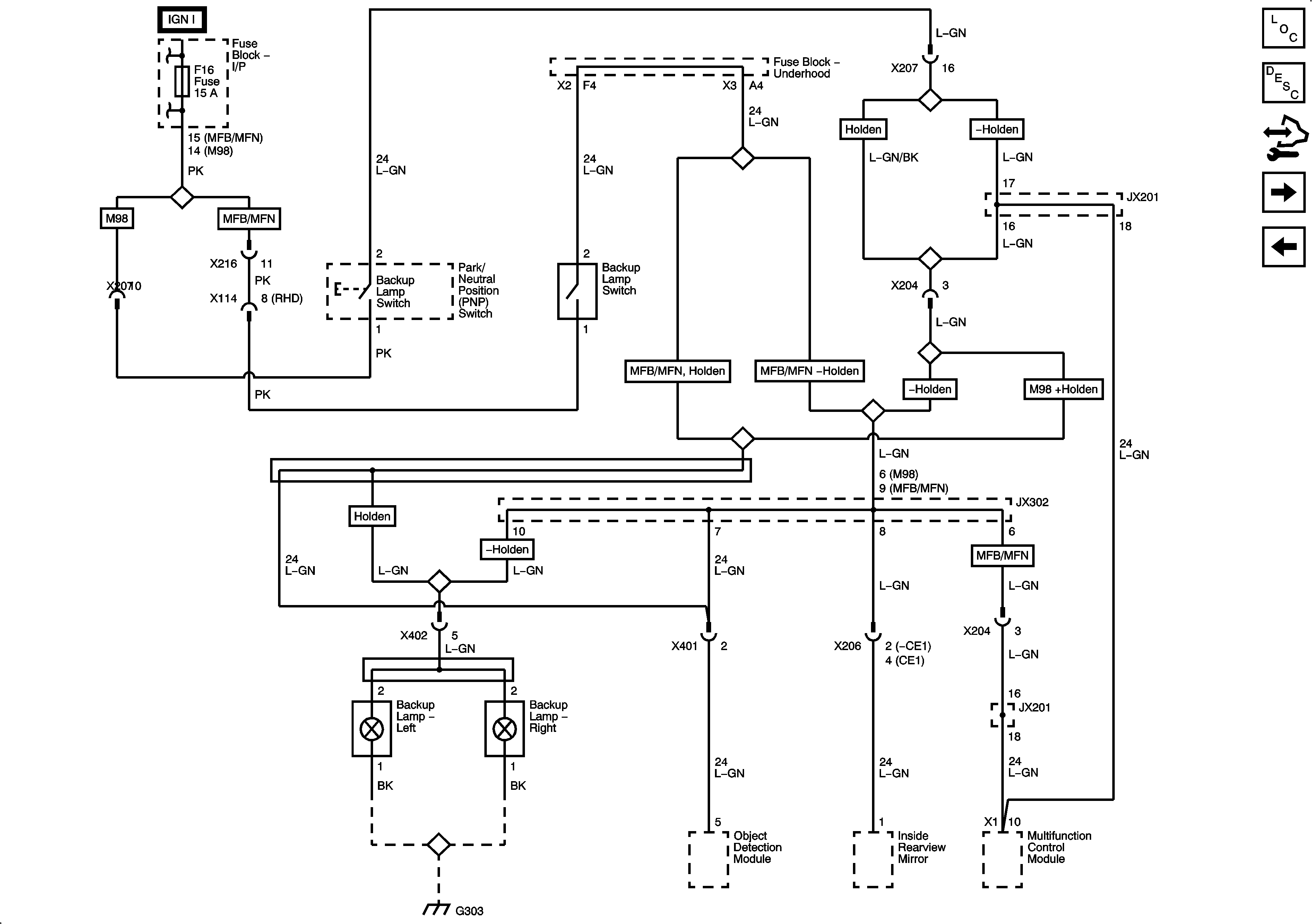
🢒 Backup Lamps (M98/MFB/MFN)
Backup Lamps (M98/MFB/MFN)
Backup Lamps (M98/MFB/MFN)
Master Electrical Component List
Exterior Lighting Systems Description and Operation
Control Module References
Backup Lamps (MH7/MH8)
Stop Lamps
Ignition Switch
Fuse Block - I/P F10, F16, F17 Fuses
G303