GM Service Manual Online
For 1990-2009 cars only
Makes
🢒
Chevrolet
🢒
2008
🢒
Epica
🢒 RHD w/CE1
RHD w/CE1
RHD W/CE1
Master Electrical Component List
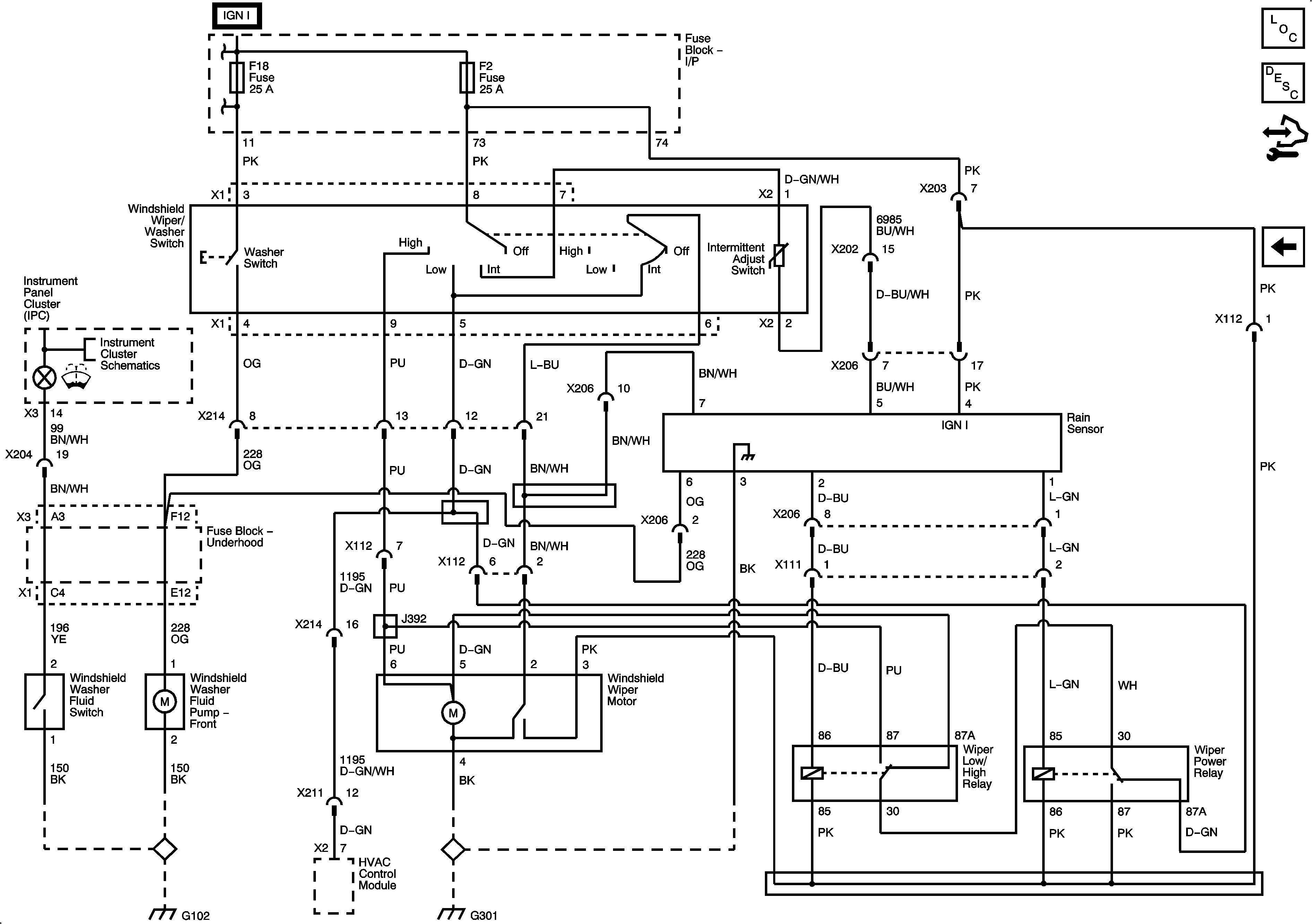
Wiper/Washer System Description and Operation
Control Module References
LHD w/CE1
Ignition Switch
Fuse Block - I/P F1, F2, F3, F11, F12, F18 Fuses
Indicators 1 of 3
G102
G301 (RHD)