GM Service Manual Online
For 1990-2009 cars only
Makes
🢒
Chevrolet
🢒
2008
🢒
Epica
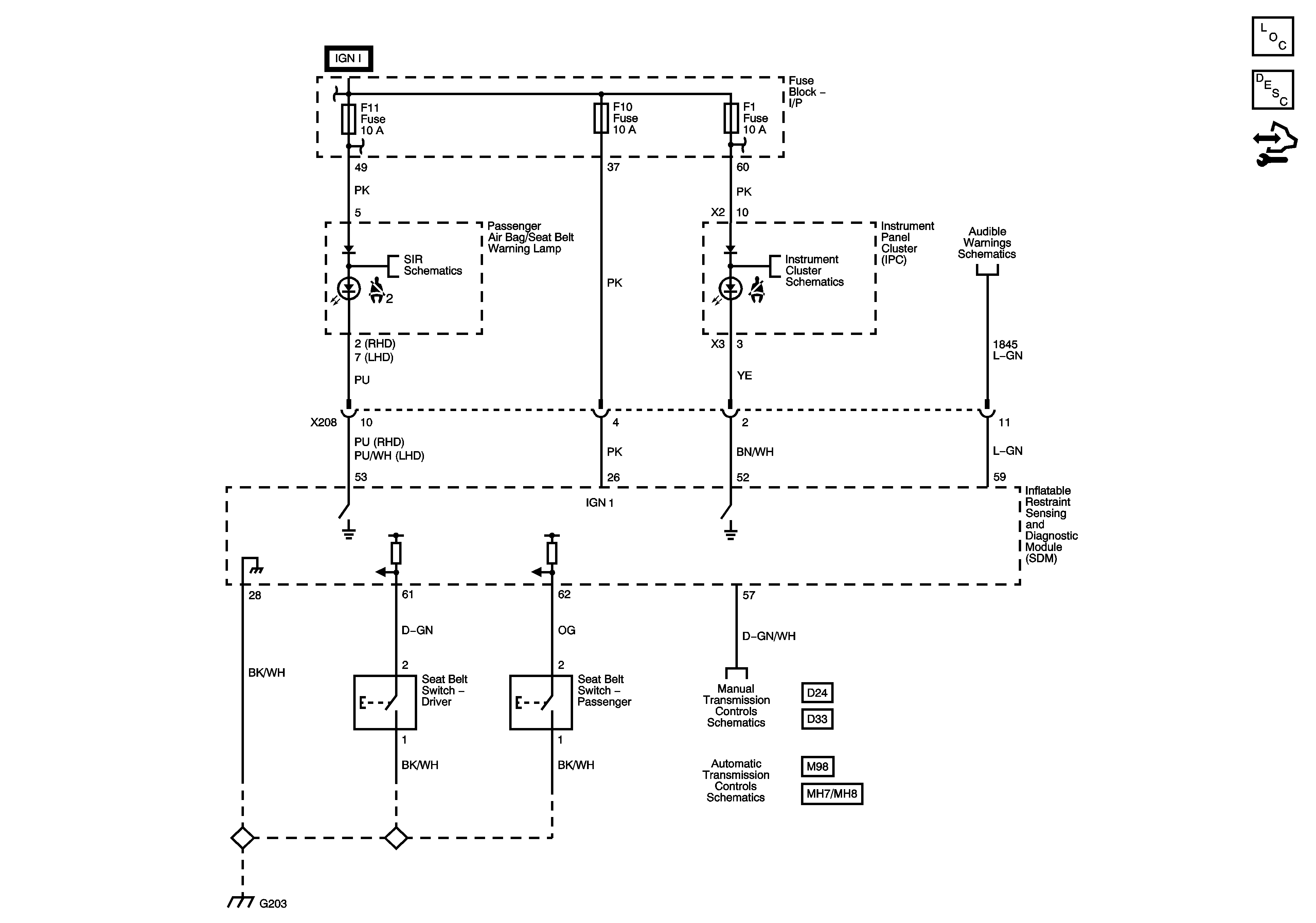
🢒 Seat Belt Schematics
Seat Belt Schematics
Master Electrical Component List
Seat Belt System Description and Operation
Control Module References
Ignition Switch
Fuse Block - I/P F1, F2, F3, F11, F12, F18 Fuses
Fuse Block - I/P F1, F2, F3, F11, F12, F18 Fuses
Power, Ground, Indicators and Sensors
Indicators 1 of 3
Audible Warnings Schematics
Manual Transmission Schematics
Manual Transmission Schematics
Speed Sensors
G203, G204
Speed Sensors