GM Service Manual Online
For 1990-2009 cars only
Makes
🢒
Chevrolet
🢒
2008
🢒
Epica
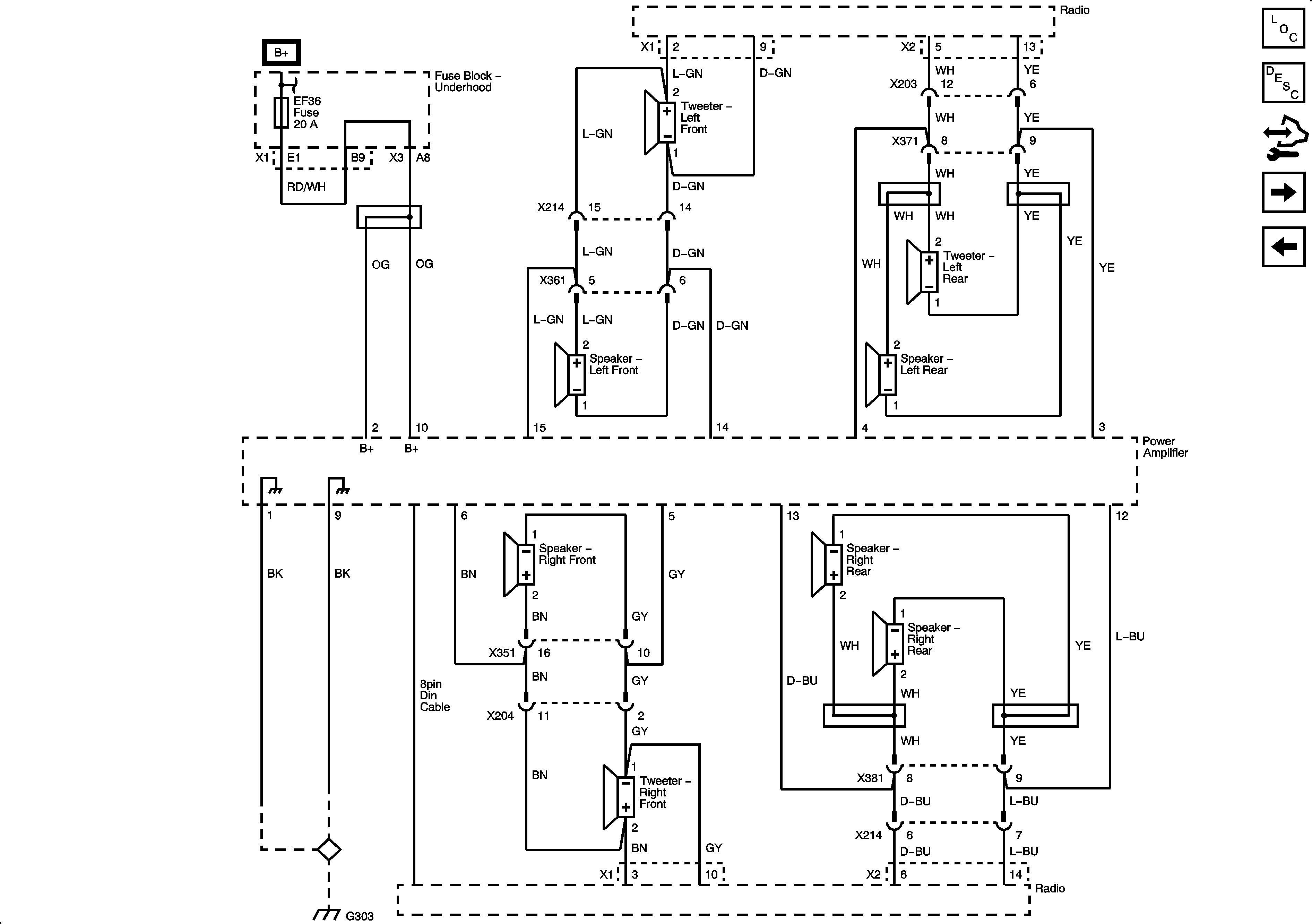
🢒 RHD Speakers (U63)
RHD Speakers (U63)
RHD Speakers (U63)
Master Electrical Component List
Radio/Audio System Description and Operation
Control Module References
Subwoofer (U63)
LHD Speakers (U63)
B+ Bus
G303