GM Service Manual Online
For 1990-2009 cars only
Makes
🢒
Chevrolet
🢒
2008
🢒
Epica
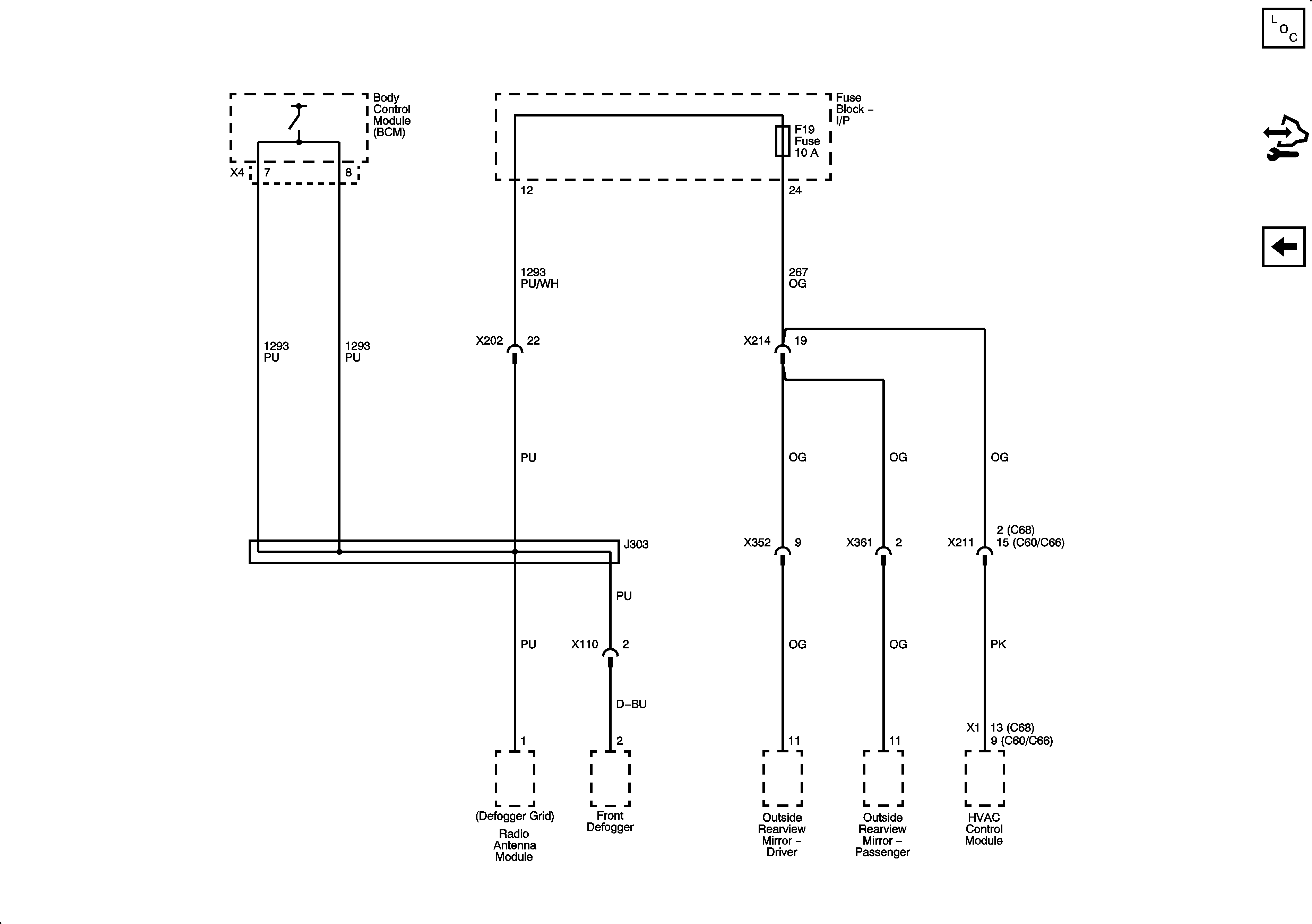
🢒 Fuse Block-I/P F19 Fuse
Fuse Block-I/P F19 Fuse
Fuse Block - I/P F19 Fuse
Master Electrical Component List
Control Module References
Fuse Block - I/P F5, F6, F7, F14 Fuses