GM Service Manual Online
For 1990-2009 cars only
Makes
🢒
Chevrolet
🢒
2008
🢒
Epica
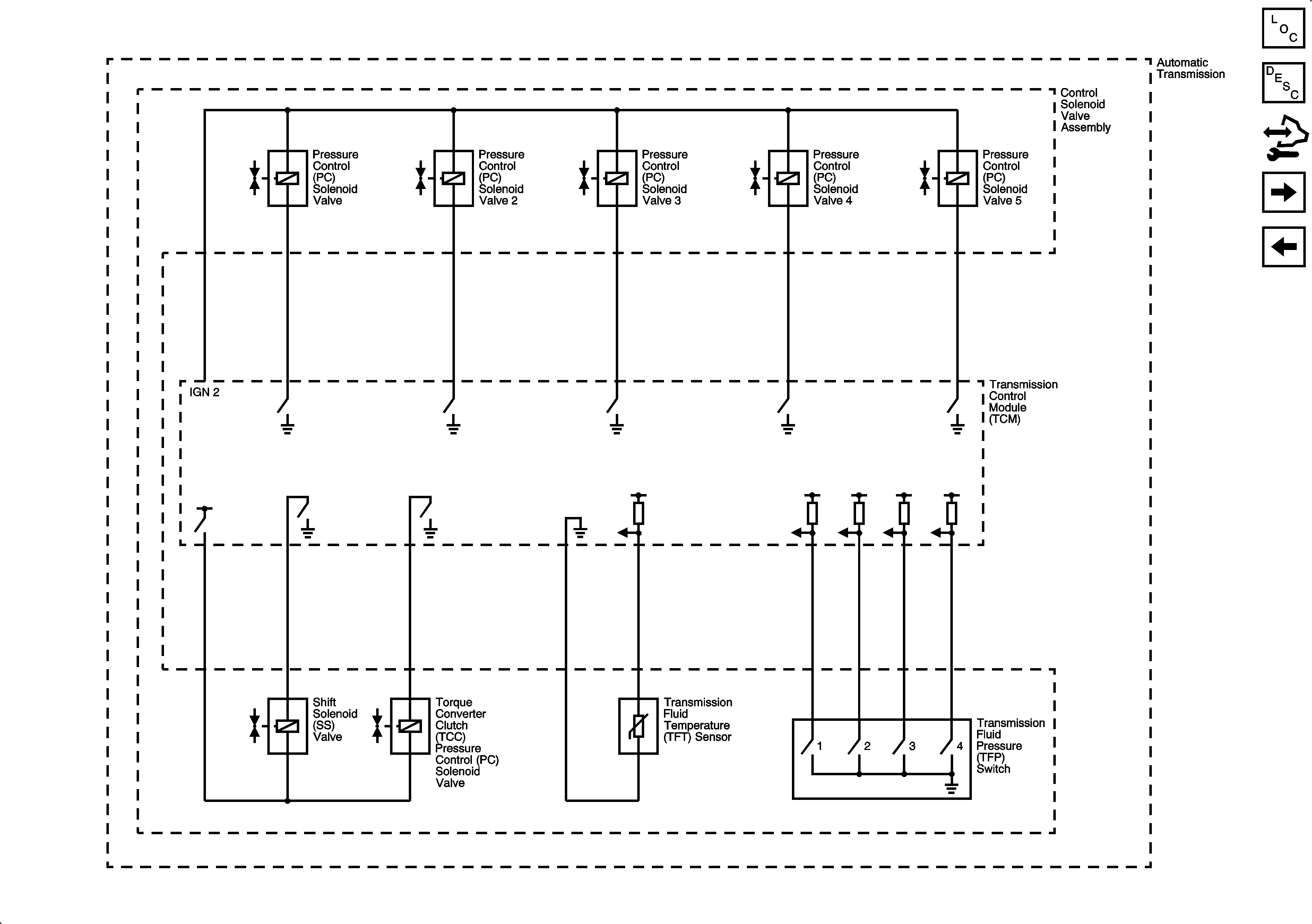
🢒 Solenoids, TFT Sensor, TFP Switch
Solenoids, TFT Sensor, TFP Switch
Solenoids, TFT Sensor, TFP Switch
Master Electrical Component List
Transmission Component and System Description
Control Module References
Speed Sensors
Power, Ground, Stop Lamp, Serial Data