GM Service Manual Online
For 1990-2009 cars only
Makes
🢒
Chevrolet
🢒
2008
🢒
Epica
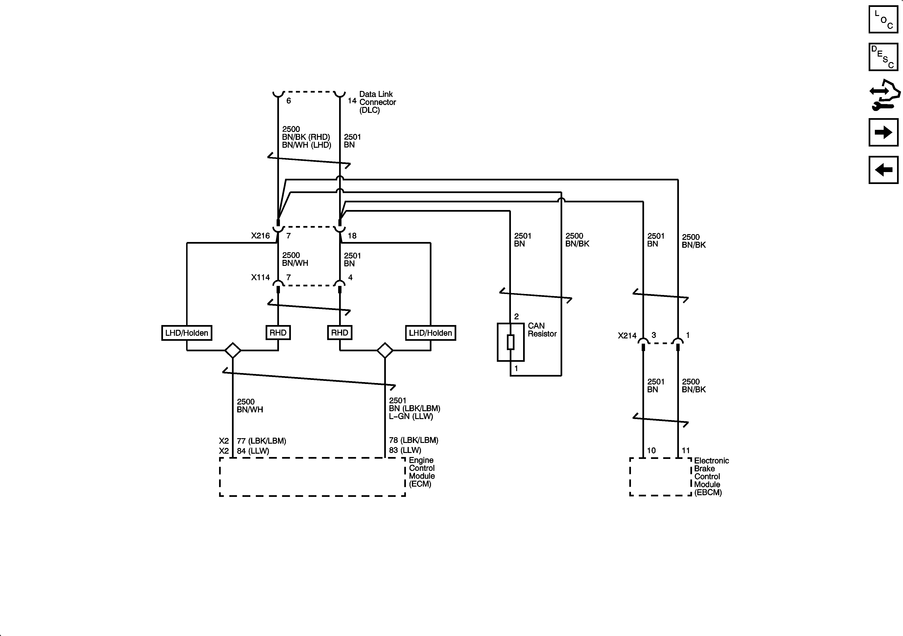
🢒 High Speed GMLAN - MFB/MFN
High Speed GMLAN - MFB/MFN
High Speed GMLAN - MFB/MFN
Master Electrical Component List
Data Link Communications Description and Operation
Control Module References
High Speed GMLAN - MH7/MH8
High Speed GMLAN - M98 (RHD)