GM Service Manual Online
For 1990-2009 cars only
Figure 1:

BCM Ground, Power, Serial Data


Object Number: 2078716  Size: FS
Figure 2:

BCM References - Audible Warnings, Defogger, Door Lock/Indicator, Exterior Lights, SIR, Transmission


Object Number: 2078719  Size: FS
Figure 3:

BCM References - Immobilizer, Release Systems, Theft Deterrent, Windows, Wiper/Washer


Object Number: 2078721  Size: FS
Figure 4:

MCM Ground, Power, Shiftlock References


Object Number: 2078723  Size: FS
Figure 5:

MCM - Lighting System References


Object Number: 2078725  Size: FS
Figure 6:

MCM - Mirror System References


Object Number: 2078727  Size: FS
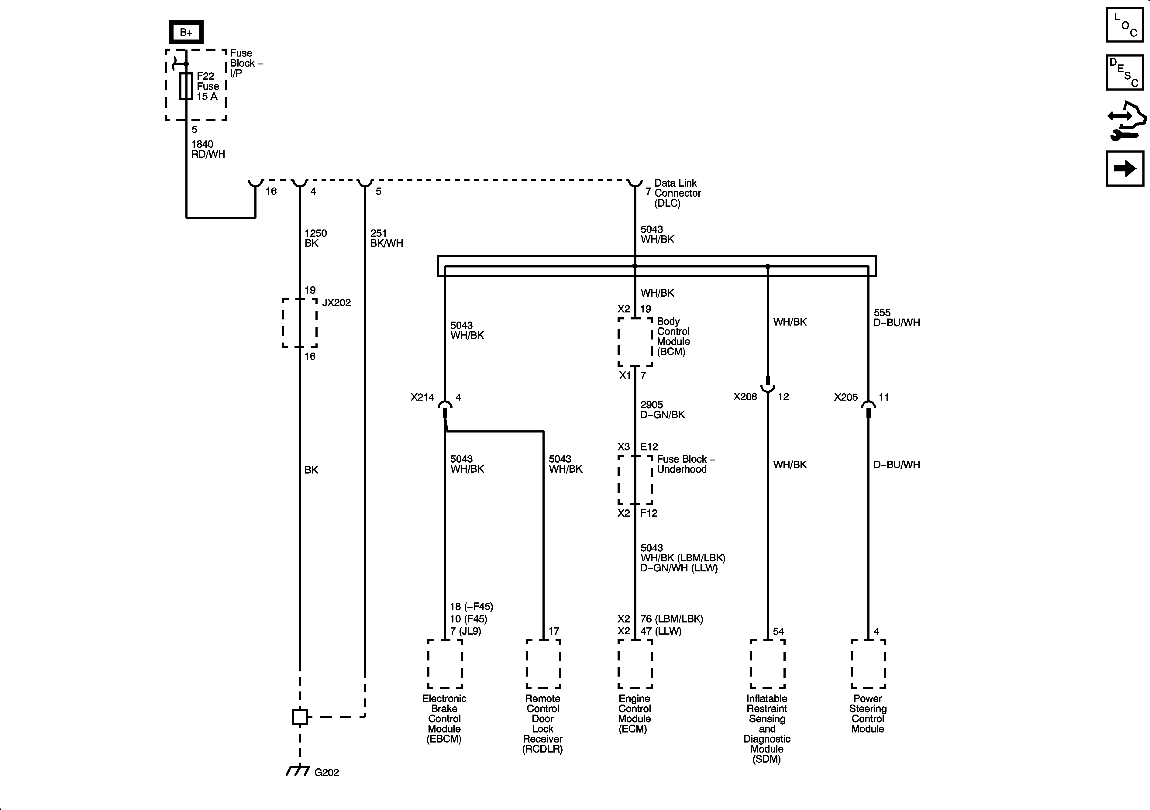
Figure 7:

Power, Ground, Class 2


Object Number: 2078729  Size: FS
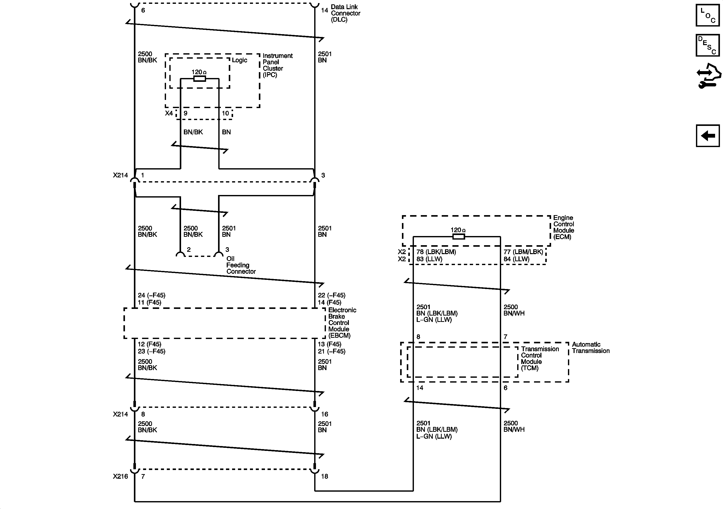
Figure 8:

High Speed GMLAN - M98 (LHD)


Object Number: 2078735  Size: FS
Figure 9:

High Speed GMLAN - M98 (RHD)


Object Number: 2078738  Size: FS
Figure 10:

High Speed GMLAN - MFB/MFN


Object Number: 2078741  Size: FS
Figure 11:

High Speed GMLAN - MH7/MH8


Object Number: 2078743  Size: FS