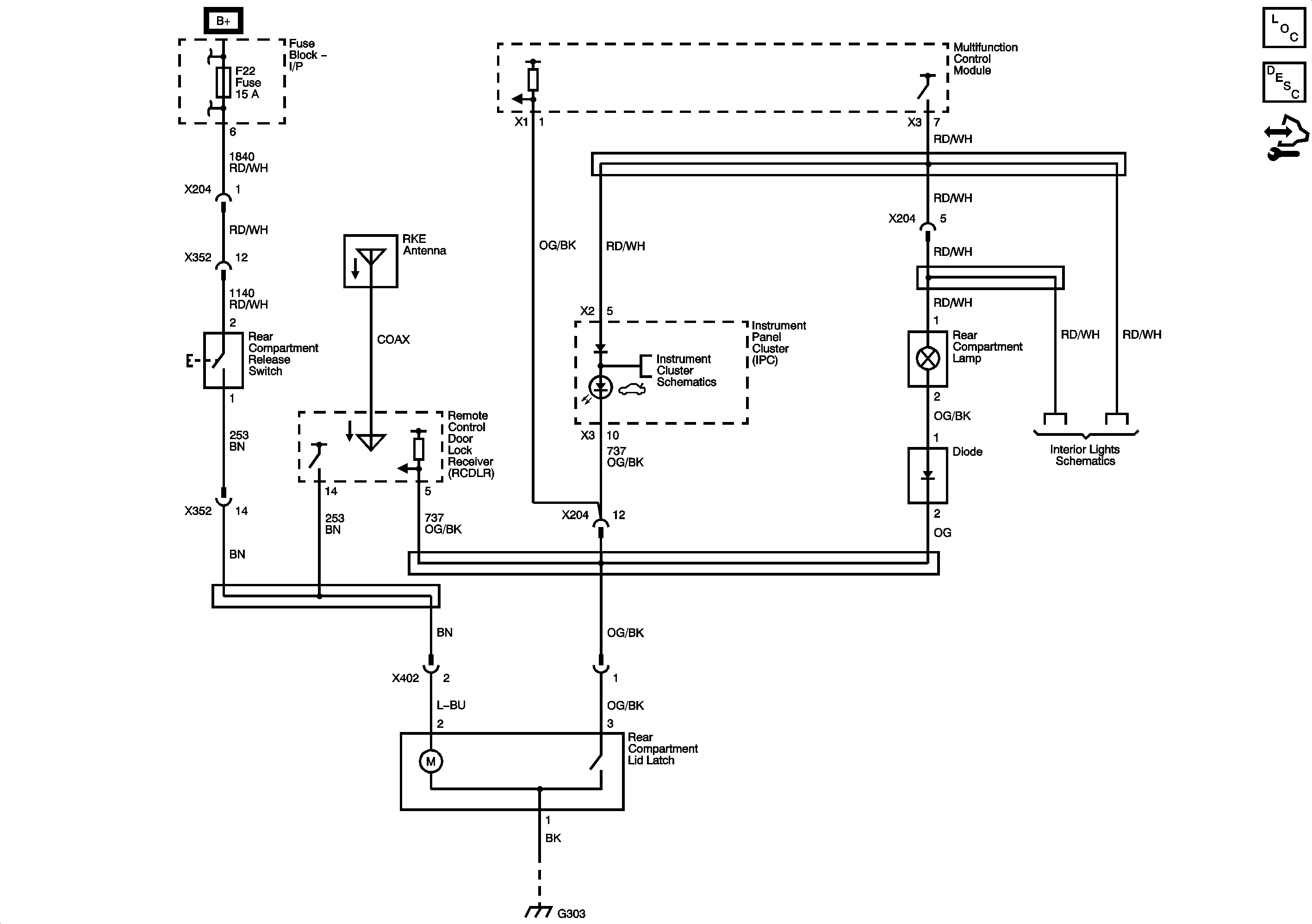
GM Service Manual Online
For 1990-2009 cars only
Makes
🢒
Chevrolet
🢒
2009
🢒
Epica
🢒
Body Systems
🢒
Vehicle Access
🢒 Release Systems Schematics