GM Service Manual Online
For 1990-2009 cars only
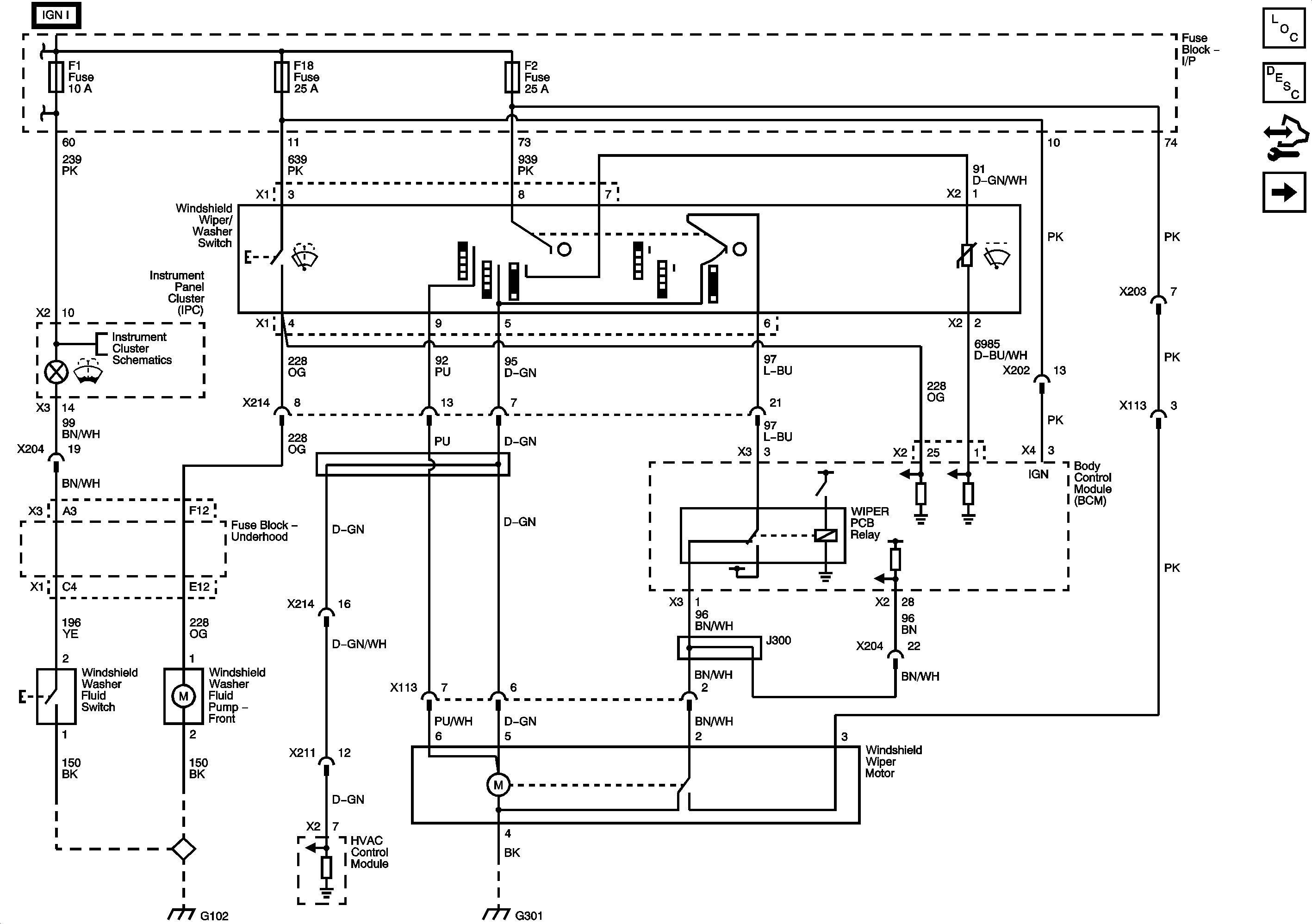
Figure 1:

Except Holden w/o CE1


Object Number: 2078153  Size: FS
Figure 2:

RHD W/CE1


Object Number: 2078155  Size: FS
Figure 3:

Holden w/o CE1


Object Number: 2078158  Size: FS
Figure 4:

LHD w/CE1


Object Number: 2078160  Size: FS