GM Service Manual Online
For 1990-2009 cars only
Makes
🢒
Chevrolet
🢒
2009
🢒
Epica
🢒
Driver Information and Entertainment
🢒
Cellular, Entertainment, and Navigation
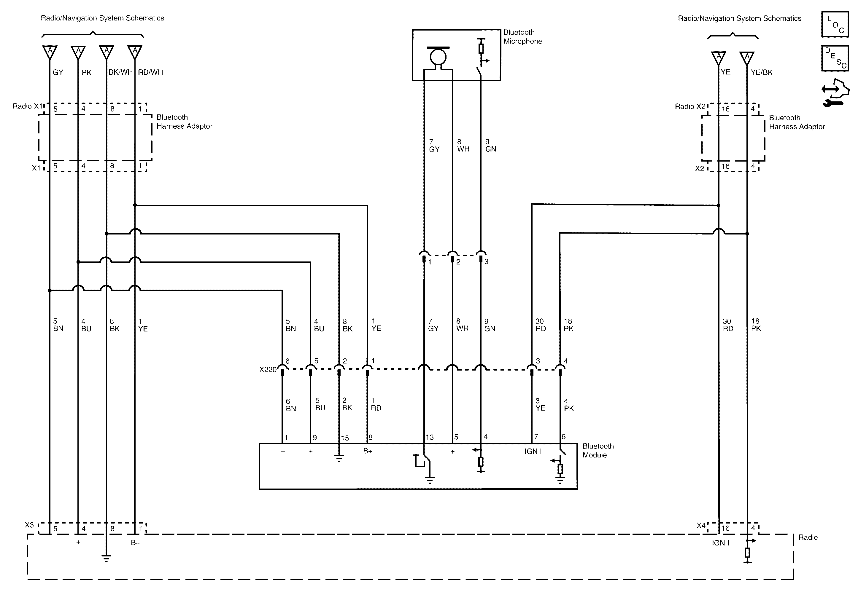
🢒 Bluetooth Communication Schematics
Bluetooth Communication Schematics Holden Genuine Accessory
Bluetooth Electrical Schematics -- Holden Genuine Accessory