GM Service Manual Online
For 1990-2009 cars only
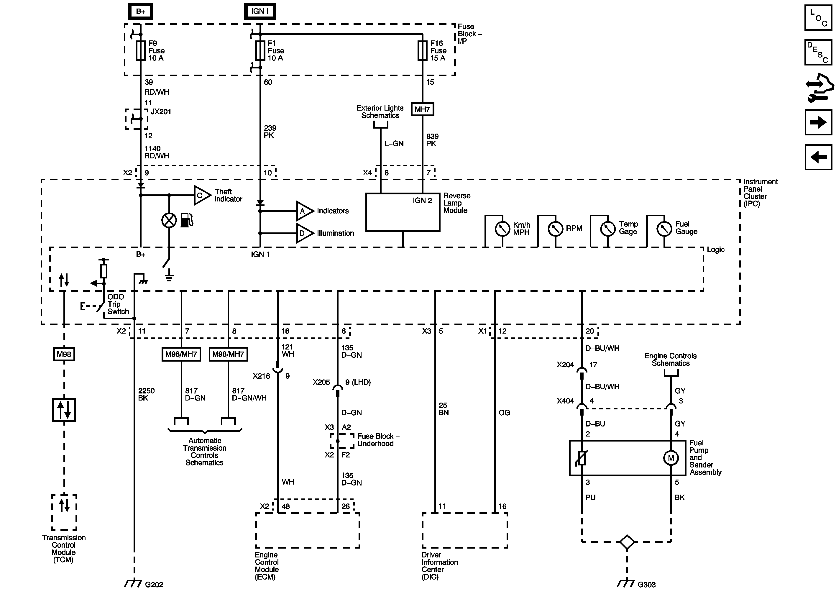
Figure 1:

Power, Ground, Gages and Serial Data (Gasoline)


Object Number: 2078224  Size: FS
Figure 2:

Power, Ground, Gages and Serial Data (Diesel)


Object Number: 2078225  Size: FS
Figure 3:

Automatic Transmission Control Indicator (MH7/MH8)


Object Number: 2078231  Size: FS
Figure 4:

Indicators 1 of 3


Object Number: 2078226  Size: FS
Figure 5:

Indicators 2 of 3


Object Number: 2078227  Size: FS
Figure 6:

Indicators 3 of 3


Object Number: 2078229  Size: FS
Figure 7:

Illumination


Object Number: 2078230  Size: FS