GM Service Manual Online
For 1990-2009 cars only
Makes
🢒
Chevrolet
🢒
2009
🢒
Epica
🢒
Power and Signal Distribution
🢒
Wiring Systems and Power Management
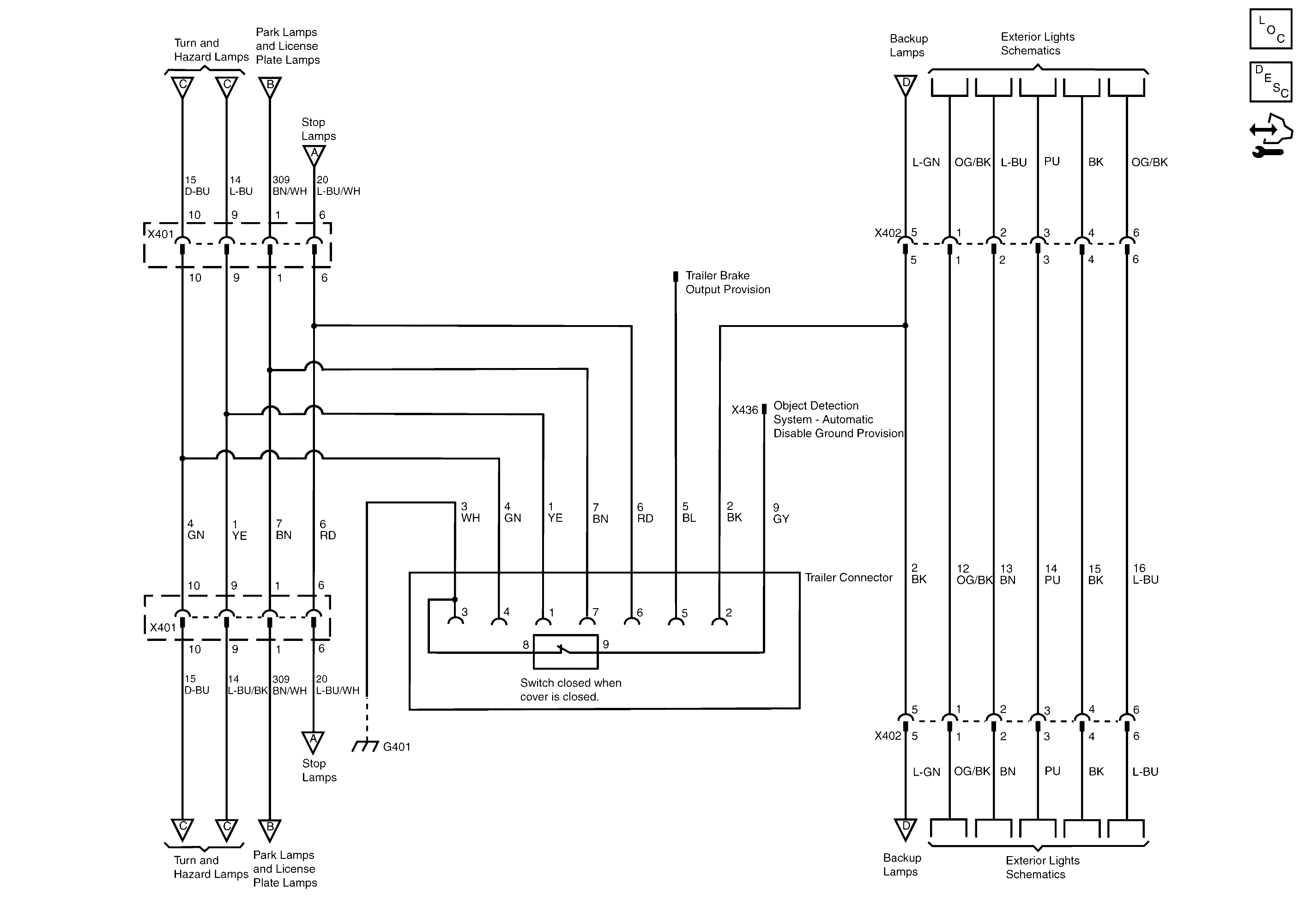
🢒 Trailer Connector/Provision Schematics
Trailer Connector/Provision Schematics Holden Genuine Accessory
Trailer Connector/Provision Schematics - Holden Genuine Accessory
Master Electrical Component List
Object Detection Description and Operation (Except Holden)
Control Module References