GM Service Manual Online
For 1990-2009 cars only
Figure 1:

B+ Bus


Object Number: 2078785  Size: FS
Figure 2:

Fuse Block - Underhood ALTERNATOR, EF1, EF3, EF5, EF18, EF19, EF27, EF30, EF31 Fuses and POWER WINDOW, ENGINE MAIN Relays


Object Number: 2078788  Size: FS
Figure 3:

Fuse Block - Auxiliary Underhood - Diesel


Object Number: 2078794  Size: FS
Figure 4:

Fuse Block - Underhood EF33 Fuse


Object Number: 2078795  Size: FS
Fuse Block - Auxiliary Underhood - Diesel
Figure 5:

Fuse Block - Underhood EF2, EF4, EF8, EF15, EF20, EF22, EF24, EF25 Fuses and ILLUMINATION, STARTER Relays


Object Number: 2078797  Size: FS
Figure 6:

Fuse Block - Underhood EF17, EF21, EF23, EF35, EF36, EF37 Fuses and HEADLAMP LOW, HEADLAMP HIGH Relays


Object Number: 2078801  Size: FS
Figure 7:

Fuse Block - Underhood EF26, EF28 Fuses and FUEL PUMP Relay


Object Number: 2078804  Size: FS
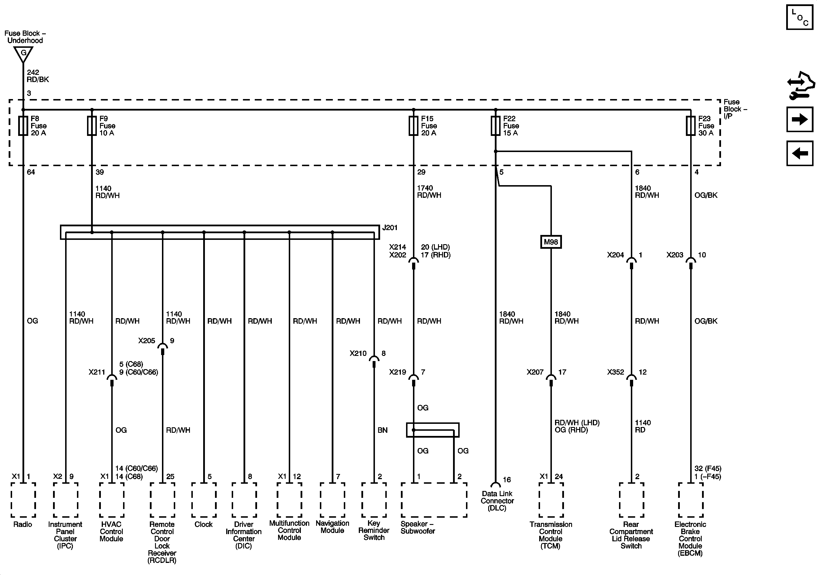
Figure 8:

Fuse Block - I/P F8, F9, F15, F22, F23 Fuses


Object Number: 2078807  Size: FS
Figure 9:

Ignition Switch


Object Number: 2078810  Size: FS
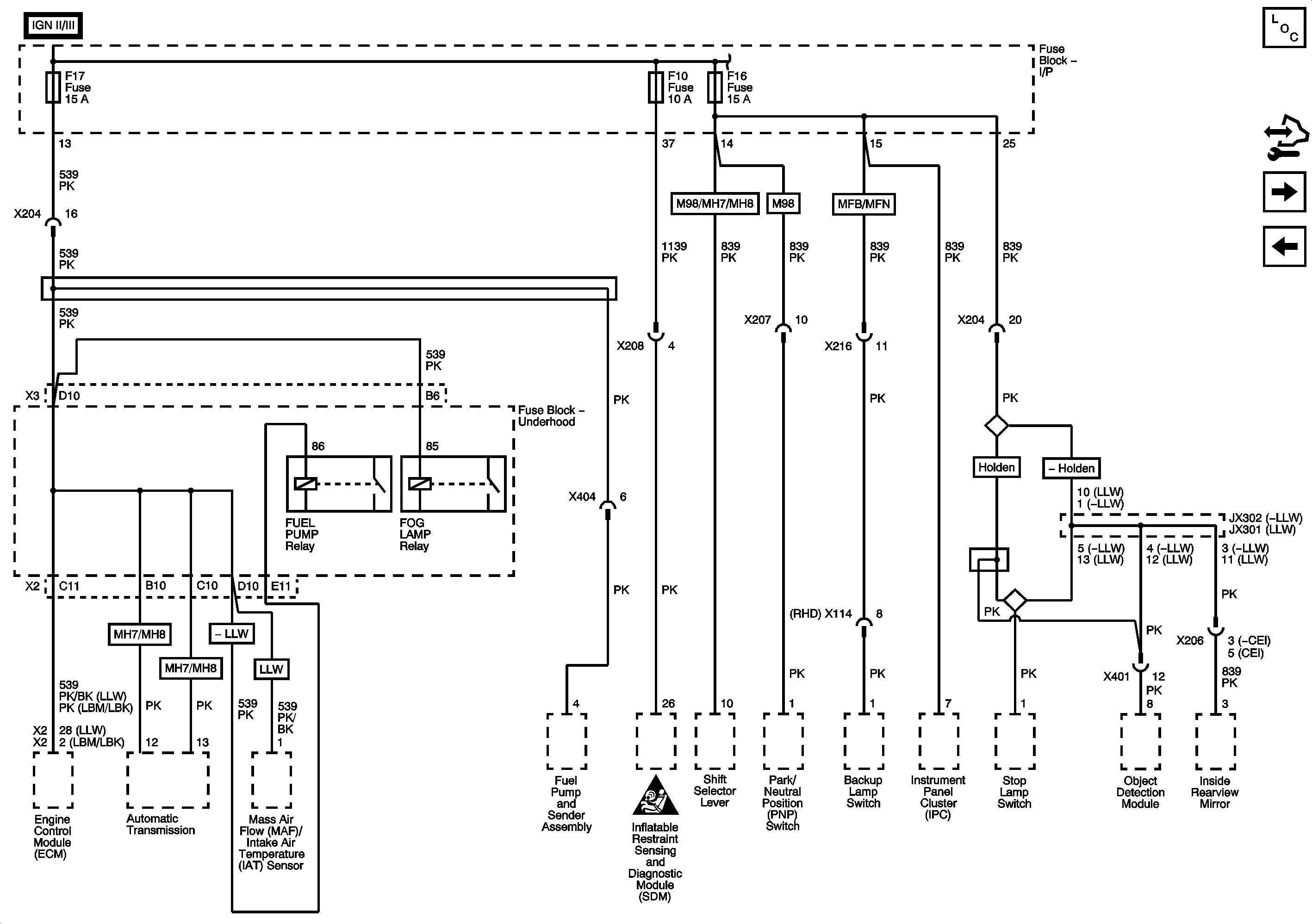
Figure 10:

Fuse Block - I/P F10, F16, F17 Fuses


Object Number: 2078814  Size: FS
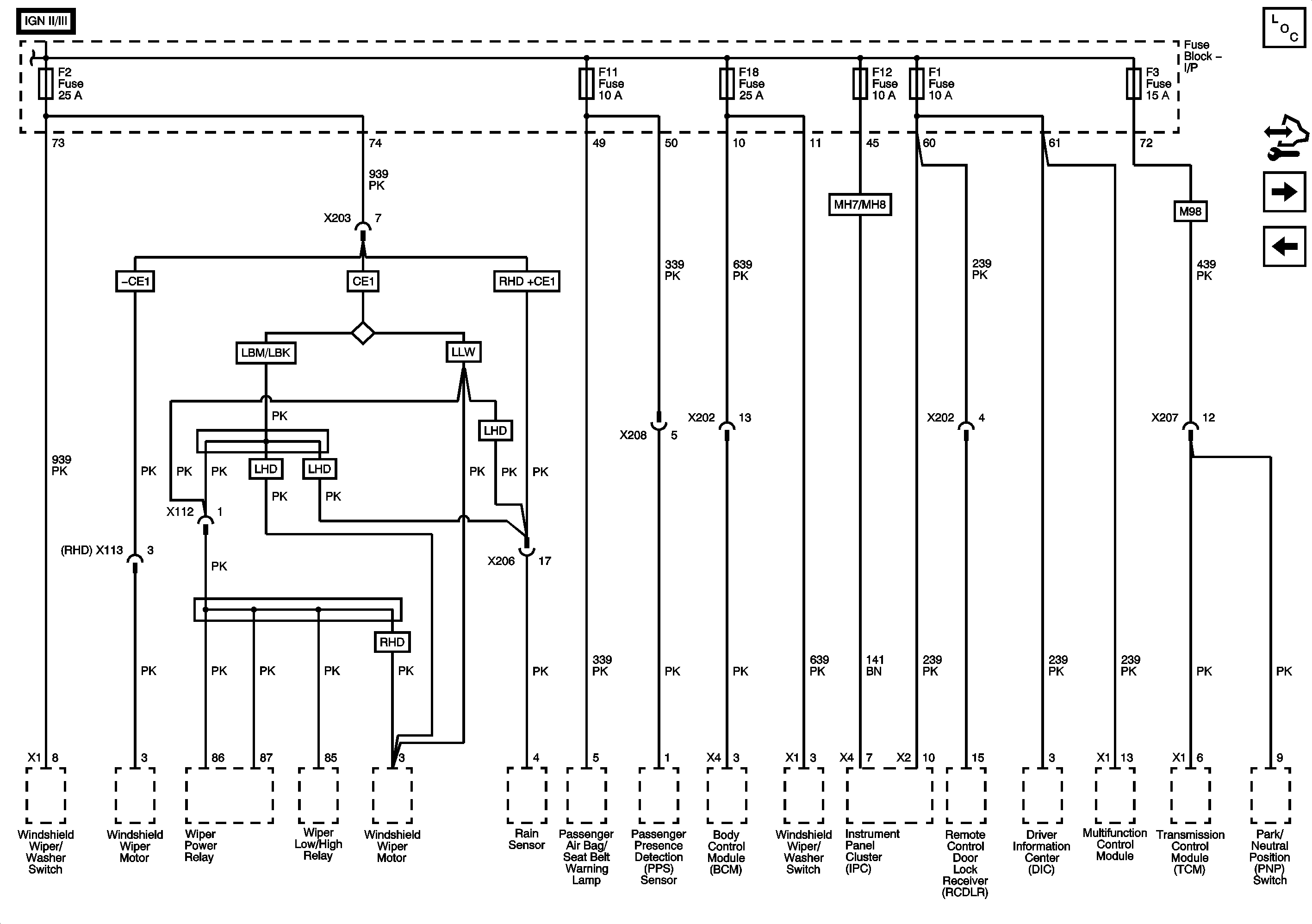
Figure 11:

Fuse Block - I/P F1, F2, F3, F11, F12, F18 Fuses


Object Number: 2078817  Size: FS
Figure 12:

Fuse Block - I/P F4, F13, F21 Fuses


Object Number: 2078819  Size: FS
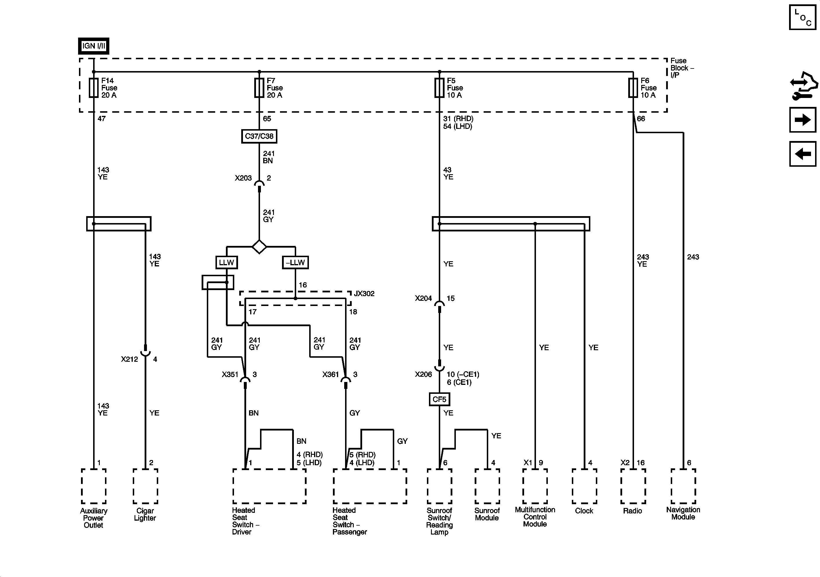
Figure 13:

Fuse Block - I/P F5, F6, F7, F14 Fuses


Object Number: 2078822  Size: FS
Figure 14:

Fuse Block - I/P F19 Fuse


Object Number: 2078824  Size: FS