GM Service Manual Online
For 1990-2009 cars only
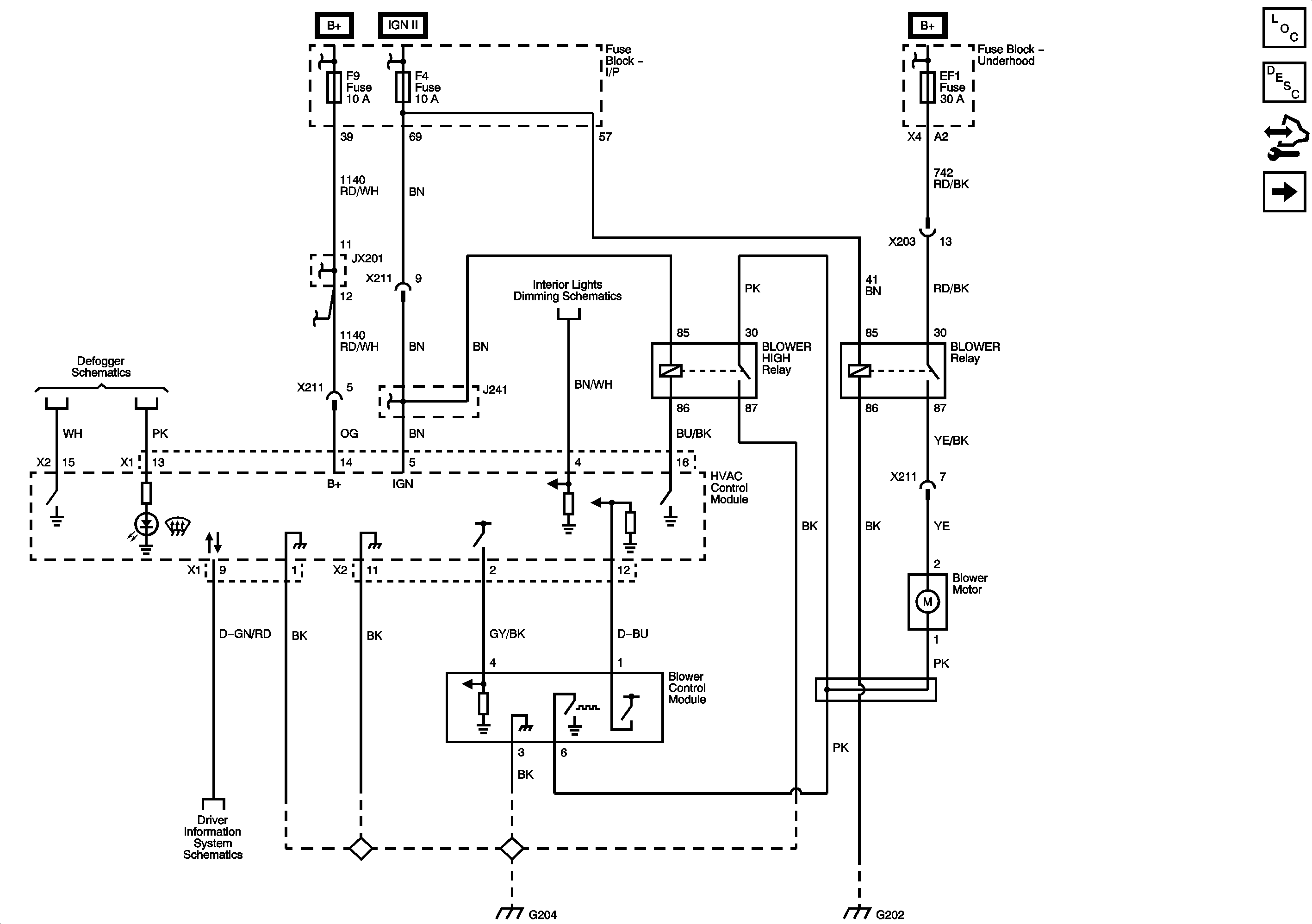
Figure 1:

Blower Controls


Object Number: 2077198  Size: FS
Figure 2:

Compressor Controls


Object Number: 2077372  Size: FS
Figure 3:

Air Delivery Actuators


Object Number: 2077381  Size: FS
Figure 4:

Air Temperature Sensors


Object Number: 2077375  Size: FS