GM Service Manual Online
For 1990-2009 cars only
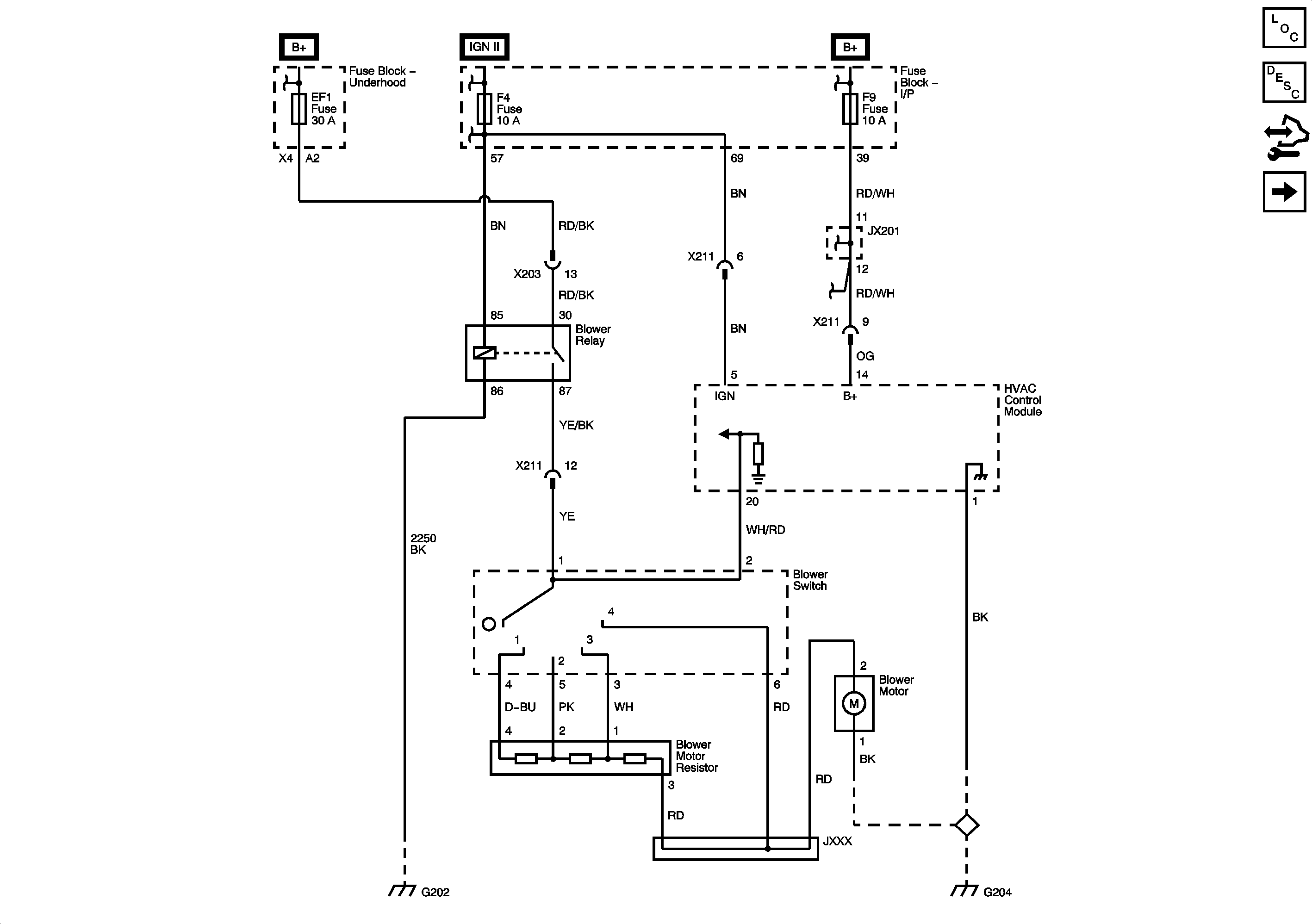
Figure 1:

Blower Controls


Object Number: 2077395  Size: FS
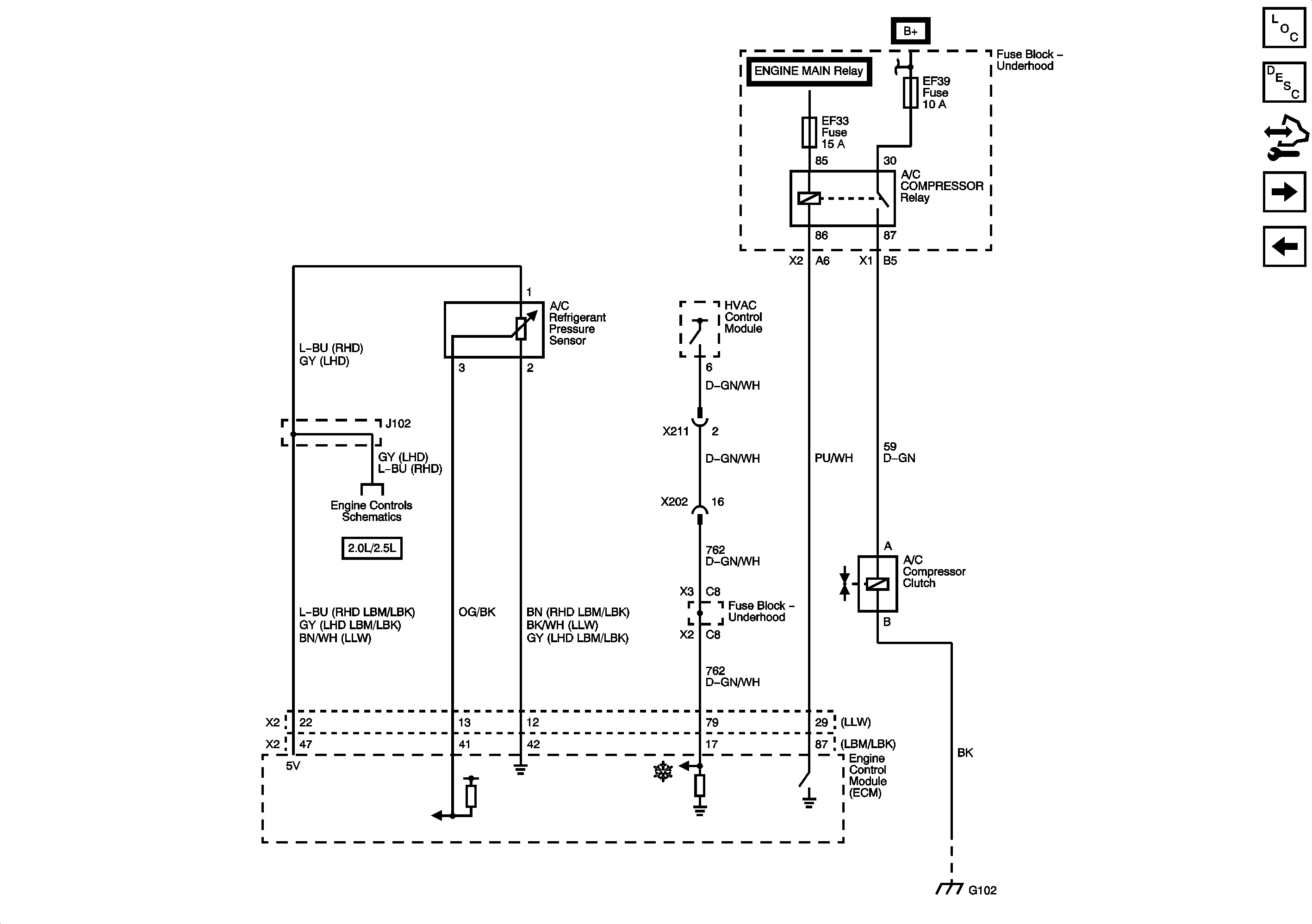
Figure 2:

Compressor Controls


Object Number: 2077406  Size: FS
Figure 3:

Air Delivery Controls


Object Number: 2077557  Size: FS