GM Service Manual Online
For 1990-2009 cars only
Makes
🢒
Chevrolet
🢒
2009
🢒
Epica
🢒
Safety and Security
🢒
Object Detection
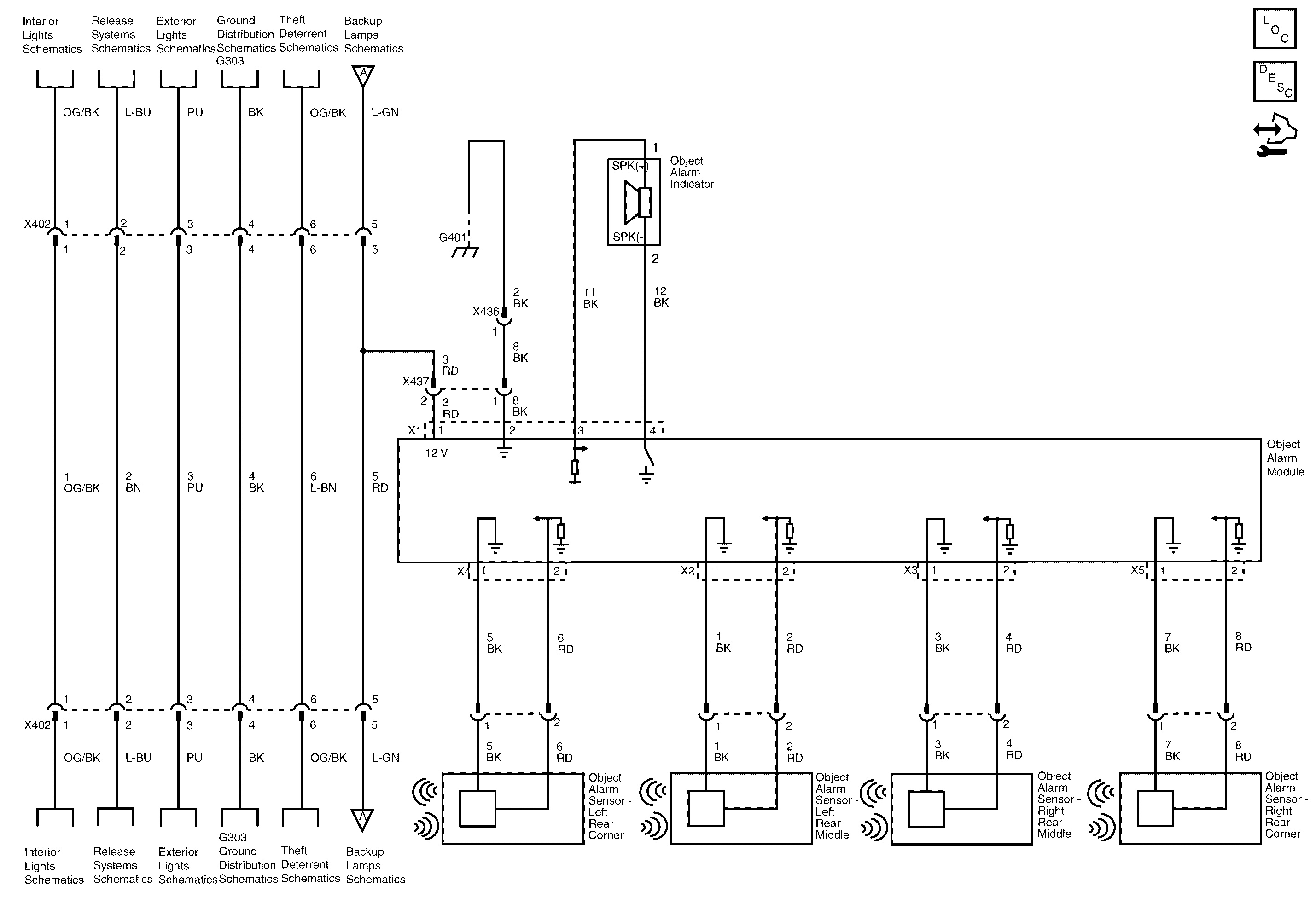
🢒 Object Detection Schematics
Object Detection Schematics Except Holden
Object Detection Schematics Holden Genuine Accessory
Object Detection - Holden Genuine Accessory
Master Electrical Component List
Object Detection Description and Operation (Except Holden)
Control Module References