GM Service Manual Online
For 1990-2009 cars only
Makes
🢒
Chevrolet
🢒
2009
🢒
Epica
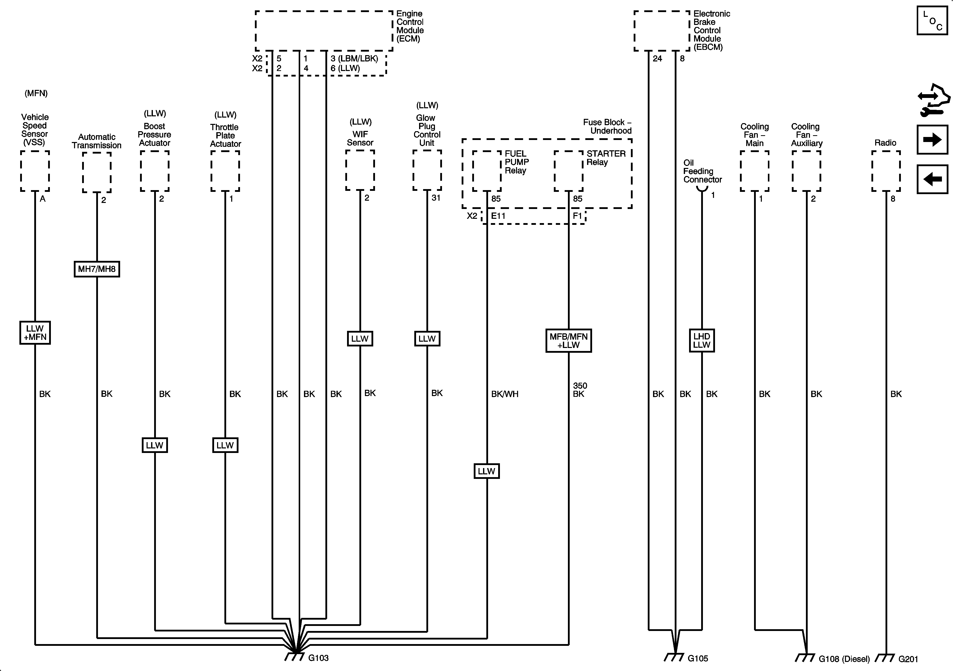
🢒 G103, G105, G108 (Diesel), G201
G103, G105, G108 (Diesel), G201
G103, G105, G108 (Diesel), G201
Master Electrical Component List
Control Module References
G202, 1 of 2
G104