GM Service Manual Online
For 1990-2009 cars only
Makes
🢒
Chevrolet
🢒
2009
🢒
Epica
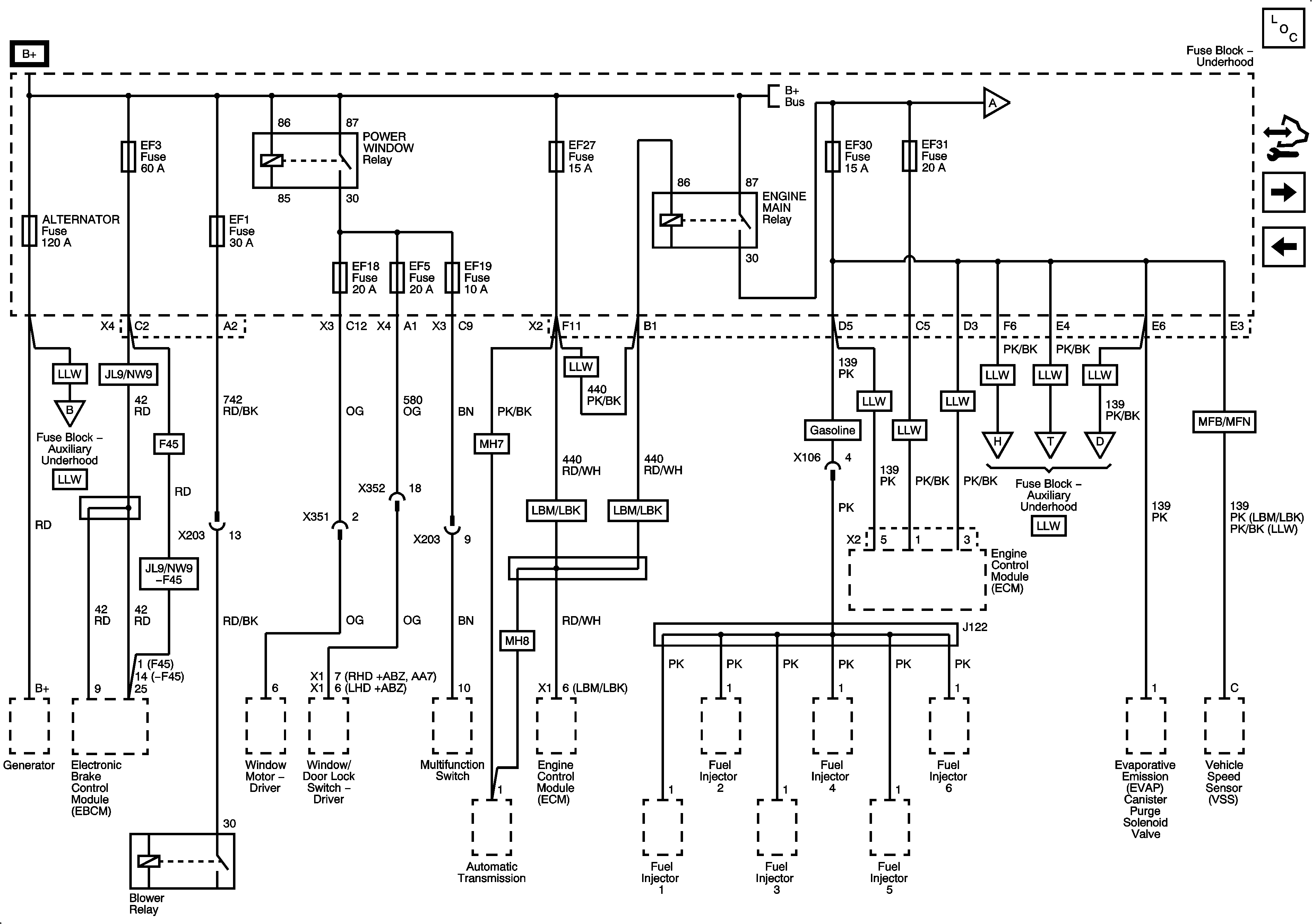
🢒 Fuse Block - Underhood ALTERNATOR, EF1, EF3, EF5, EF18, EF19, Ef27, EF30, EF31 Fuses and POWER WINDOW, ENGINE MAIN Relays
Fuse Block - Underhood ALTERNATOR, EF1, EF3, EF5, EF18, EF19, Ef27, EF30, EF31 Fuses and POWER WINDOW, ENGINE MAIN Relays
Fuse Block - Underhood ALTERNATOR, EF1, EF3, EF5, EF18, EF19, EF27, EF30, EF31 Fuses and POWER WINDOW, ENGINE MAIN Relays
Master Electrical Component List
Control Module References
Fuse Block - Auxiliary Underhood - Diesel
B+ Bus
B+ Bus
Fuse Block - Underhood EF33 Fuse
Fuse Block - Auxiliary Underhood - Diesel
Fuse Block - Auxiliary Underhood - Diesel