GM Service Manual Online
For 1990-2009 cars only
Makes
🢒
Chevrolet
🢒
2009
🢒
Epica
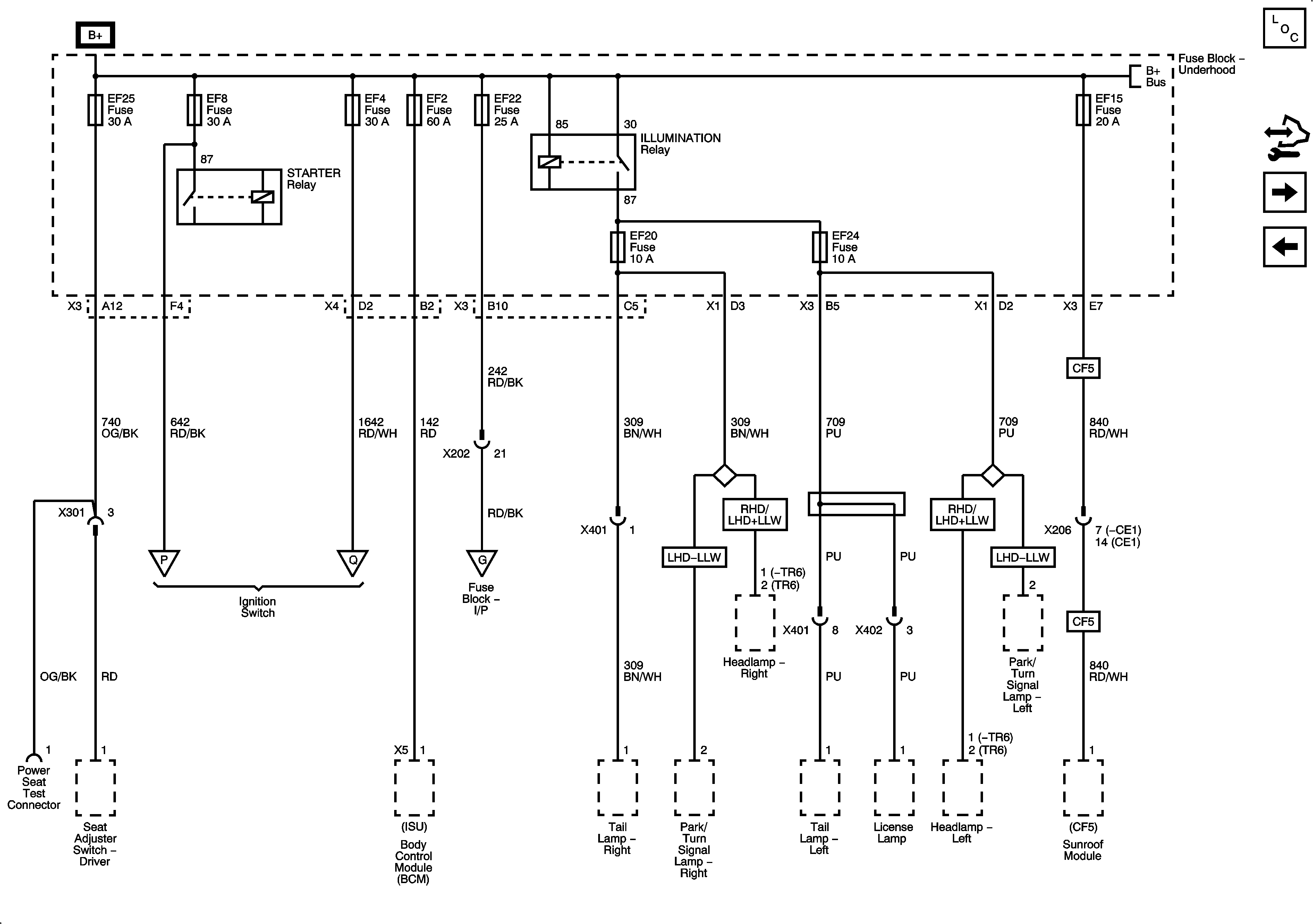
🢒 Fuse Block - Underhood EF2, EF4, EF8, EF15, EF20, EF22, EF24, EF25 Fuses and ILLUMINATION, STARTER Relays
Fuse Block - Underhood EF2, EF4, EF8, EF15, EF20, EF22, EF24, EF25 Fuses and ILLUMINATION, STARTER Relays
Fuse Block - Underhood EF2, EF4, EF8, EF15, EF20, EF22, EF24, EF25 Fuses and ILLUMINATION, STARTER Relays
Master Electrical Component List
Control Module References
Fuse Block - Underhood EF17, EF21, EF23, EF35, EF36, EF37 Fuses and HEADLAMP LOW, HEADLAMP HIGH Relays
Fuse Block - Underhood EF33 Fuse
B+ Bus
Ignition Switch
Fuse Block - I/P F8, F9, F15, F22, F23 Fuses