GM Service Manual Online
For 1990-2009 cars only
Makes
🢒
Chevrolet
🢒
2005
🢒
Equinox
🢒
Body
🢒
Wiring Systems
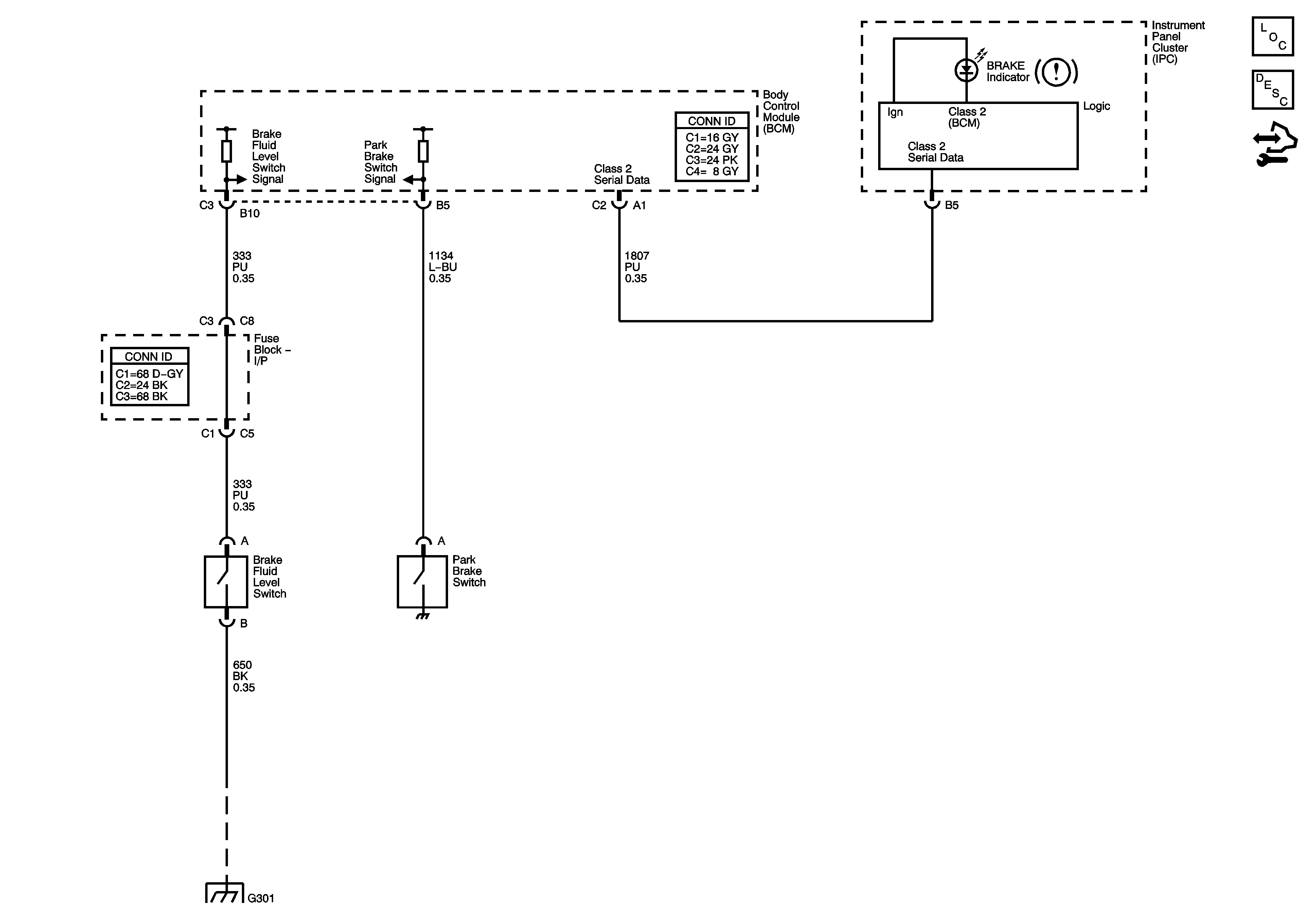
🢒 Brake Warning System Schematics
Master Electrical Component List
Brake Warning System Description and Operation
Control Module References
G301