GM Service Manual Online
For 1990-2009 cars only
Makes
🢒
Chevrolet
🢒
2005
🢒
Equinox
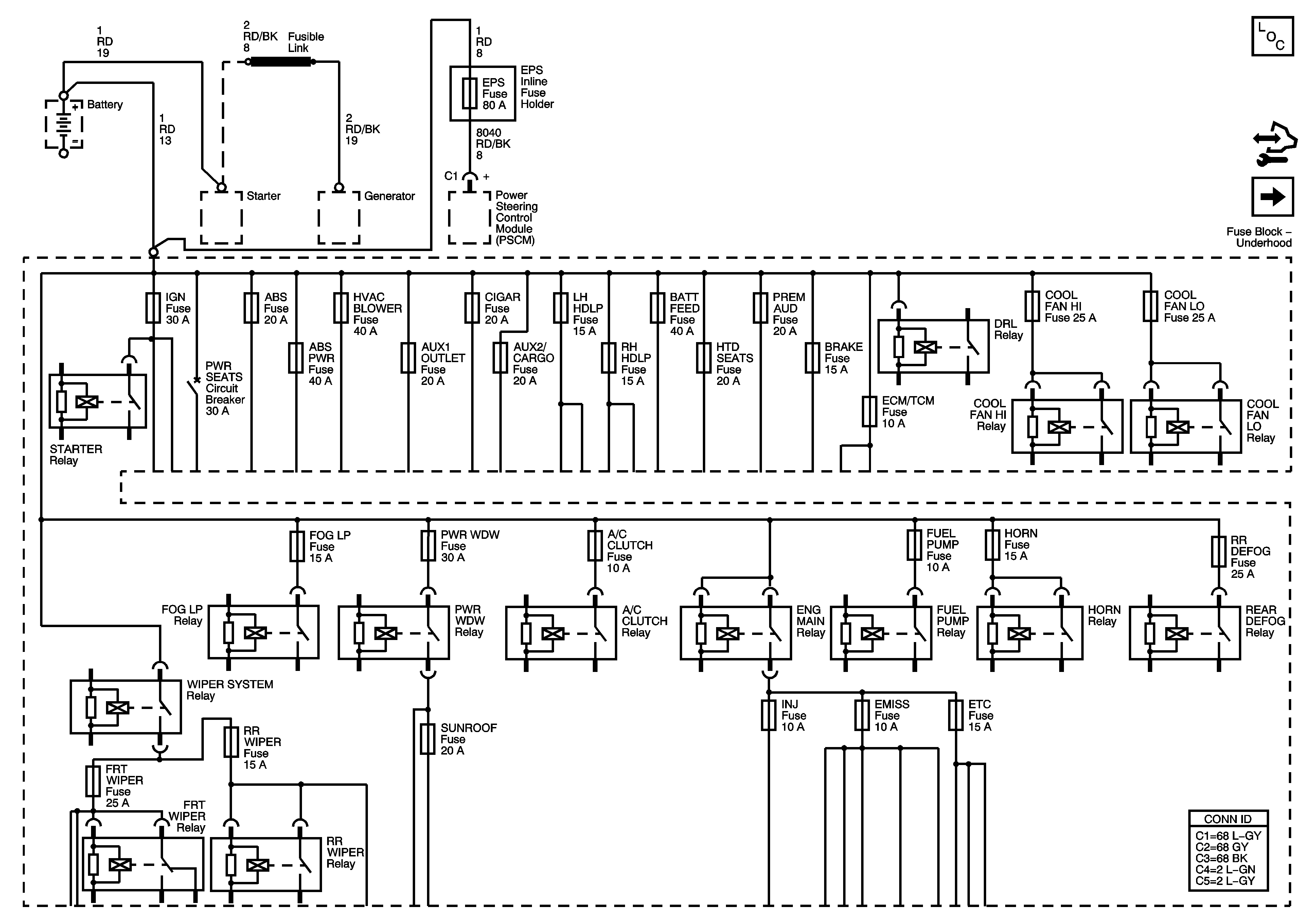
🢒 B+Bussing
B+Bussing
B+ Bussing and the EPS Fuse
Master Electrical Component List
Control Module References
PWD WDW, SUNROOF, ABS, ABS PWR, HVAC BLOWER, AUX1 OUTLET, AUX2/CARGO, CIGAR, and ECM/TCM Fuses