GM Service Manual Online
For 1990-2009 cars only

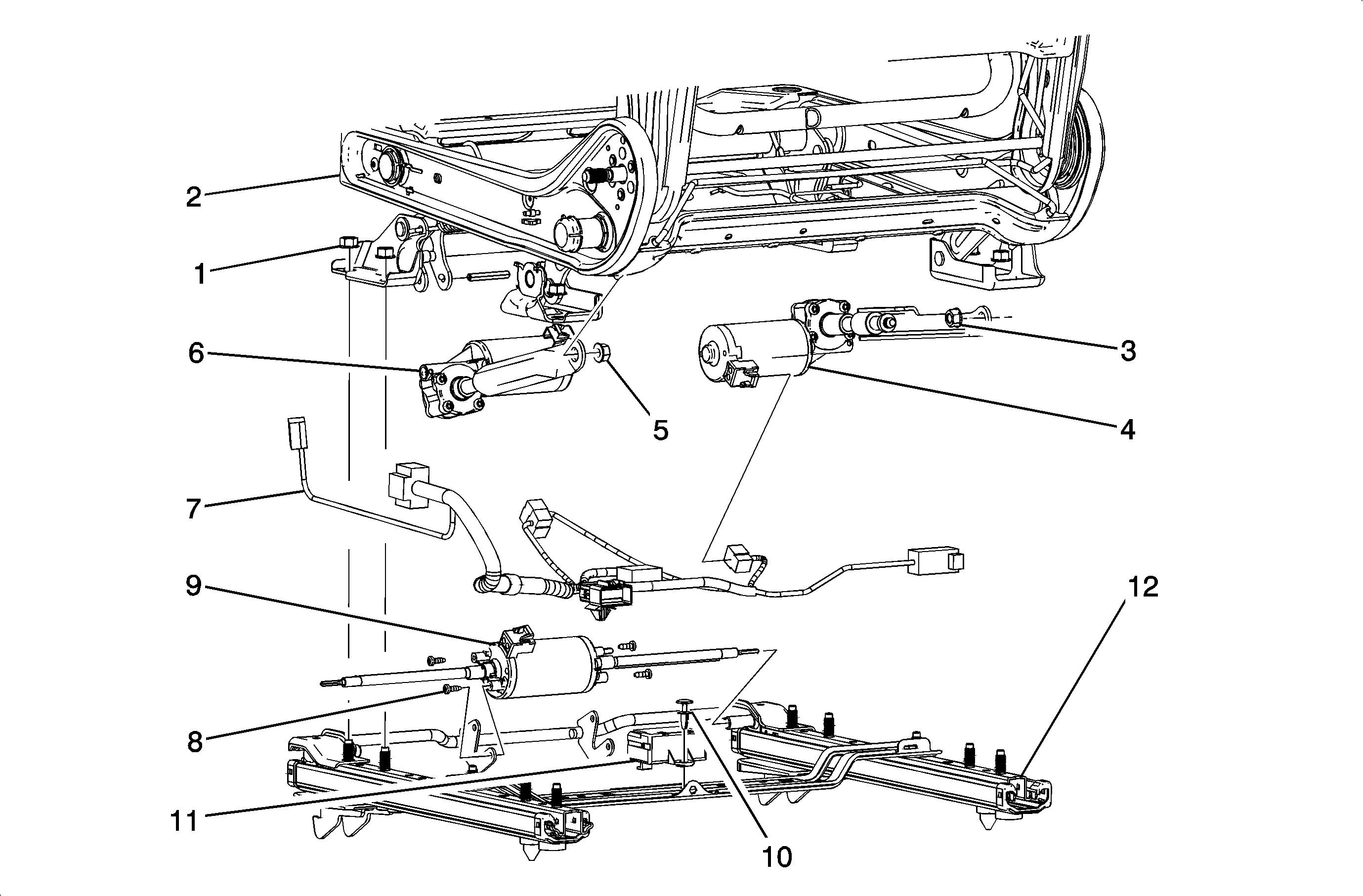
Object Number: 1370384  Size: MF

Callout

Component Name

Fastener Tightening Specifications. Refer to Fastener Tightening Specifications (Link disabled for test).

Drivers Front Seat. Refer to Seat Replacement - Front Bucket (Link disabled for test).

Front Seat Cushion Cover and Pad. Refer to Seat Cushion Cover and Pad Replacement - Front (Link disabled for test).

1

Nut, Driver Seat Frame

Tighten: to 35 N·m (25 lb ft).

2

Frame Assembly, Driver Seat

3

Nut, Driver Seat Tilt Actuator Assembly

Tighten: to 7 N·m (62 lb in).

4

Actuator Assembly, Driver Seat Tilt

Tip: Place the seat in the full up position to relieve tension on the motor.

Remove the roll pin.

5

Nut, Driver Seat Vertical Actuator Assembly

Tighten: to 7 N·m (62 lb in).

6

Actuator Assembly, Driver Seat Vertical

Tip: Place the seat in the full up position to relieve tension on the motor.

Remove the roll pin.

7

Wiring Harness Assembly, Driver Seat Adjuster

8

Screw, Driver Seat Horizontal Actuator Assembly (Qty:4)

Tighten: to 3 N·m (26.5 lb in).

9

Actuator Assembly, Driver Seat Horizontal

Tip: Remove the adjuster motor cables by pulling the cables out of the adjuster.

10

Retainer, Driver Seat Heater Control Module

11

Module, Driver Seat Heater Control

12

Track Assembly, Driver Seat Adjuster