GM Service Manual Online
For 1990-2009 cars only
Makes
🢒
Chevrolet
🢒
1985
🢒
Evaluator
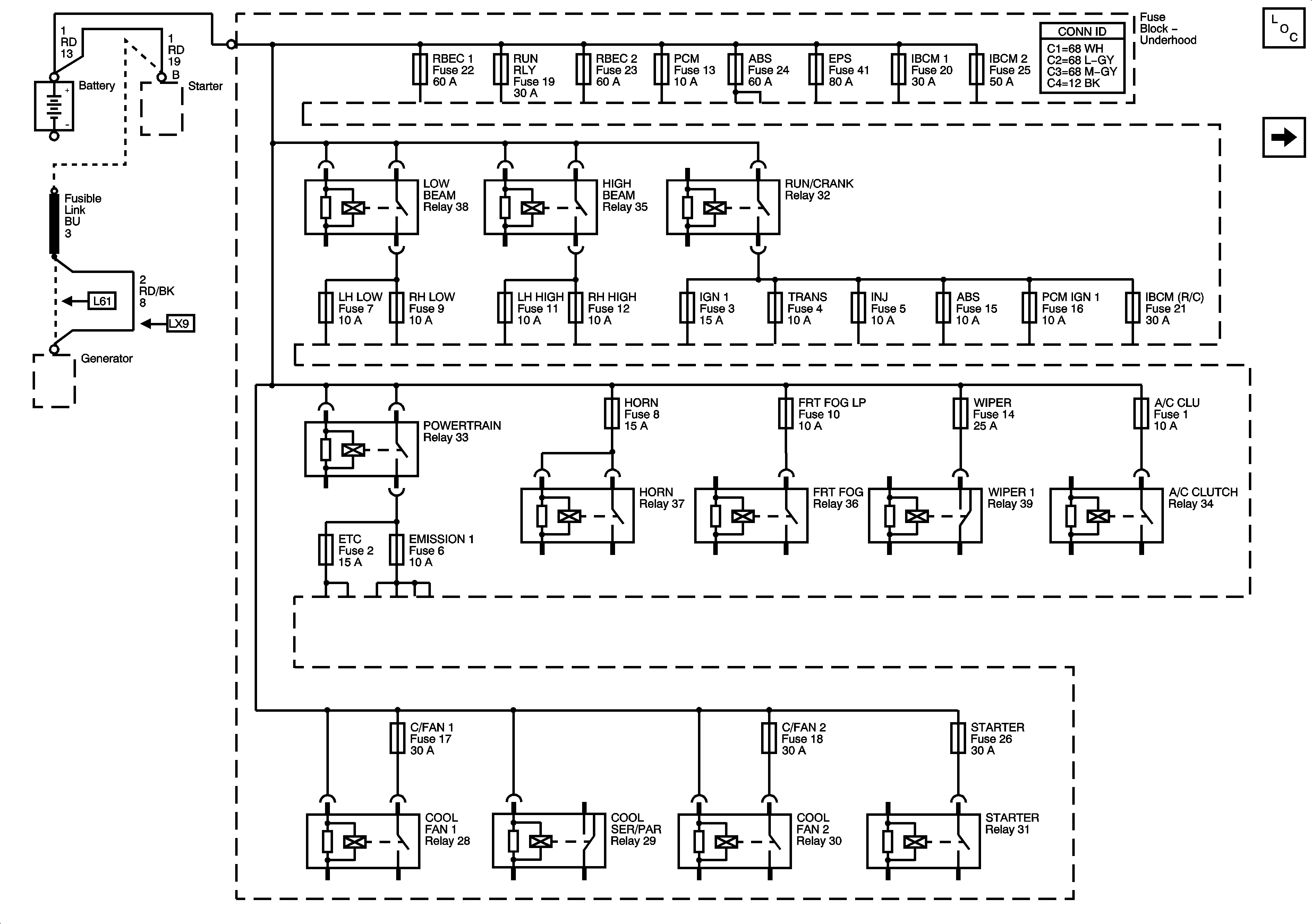
🢒 Power Distribution (B+ Bussing)
Power Distribution (B+ Bussing)
B+ Bussing
Master Electrical Component List
Power Distribution (Underhood Fuse Block - RBEC Batt 1 Fuse and Feeds)