GM Service Manual Online
For 1990-2009 cars only

Automatic Transmission Controls Schematics Gas Engines

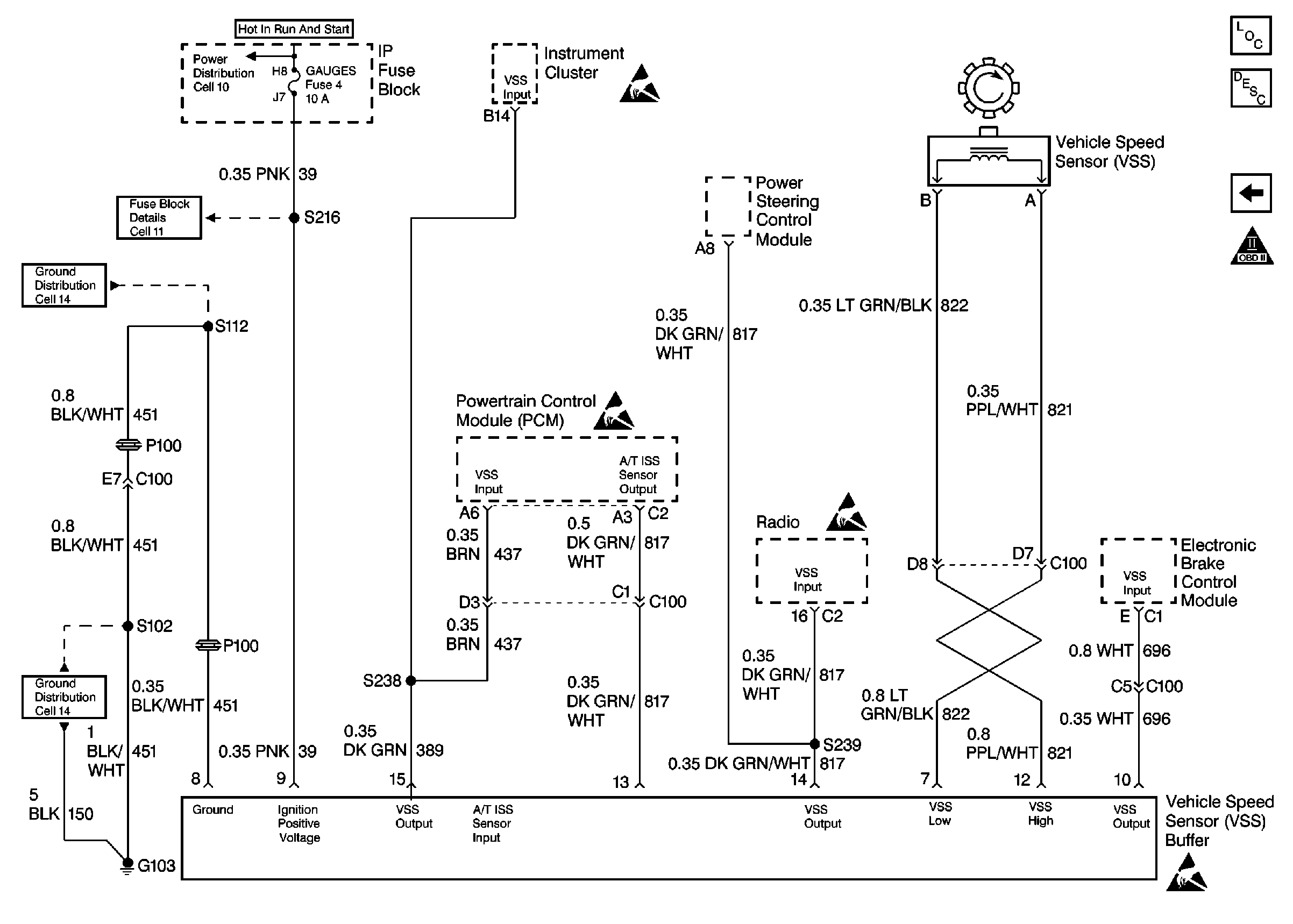
Figure 1:

PWR and VSS Controls


Object Number: 60180  Size: FS
Automatic Transmission Components Gas Engines
Solenoid, TCC and Stoplamp Controls
OBD II Symbol Description Notice
Information Sensors 5.7L, 7.4L
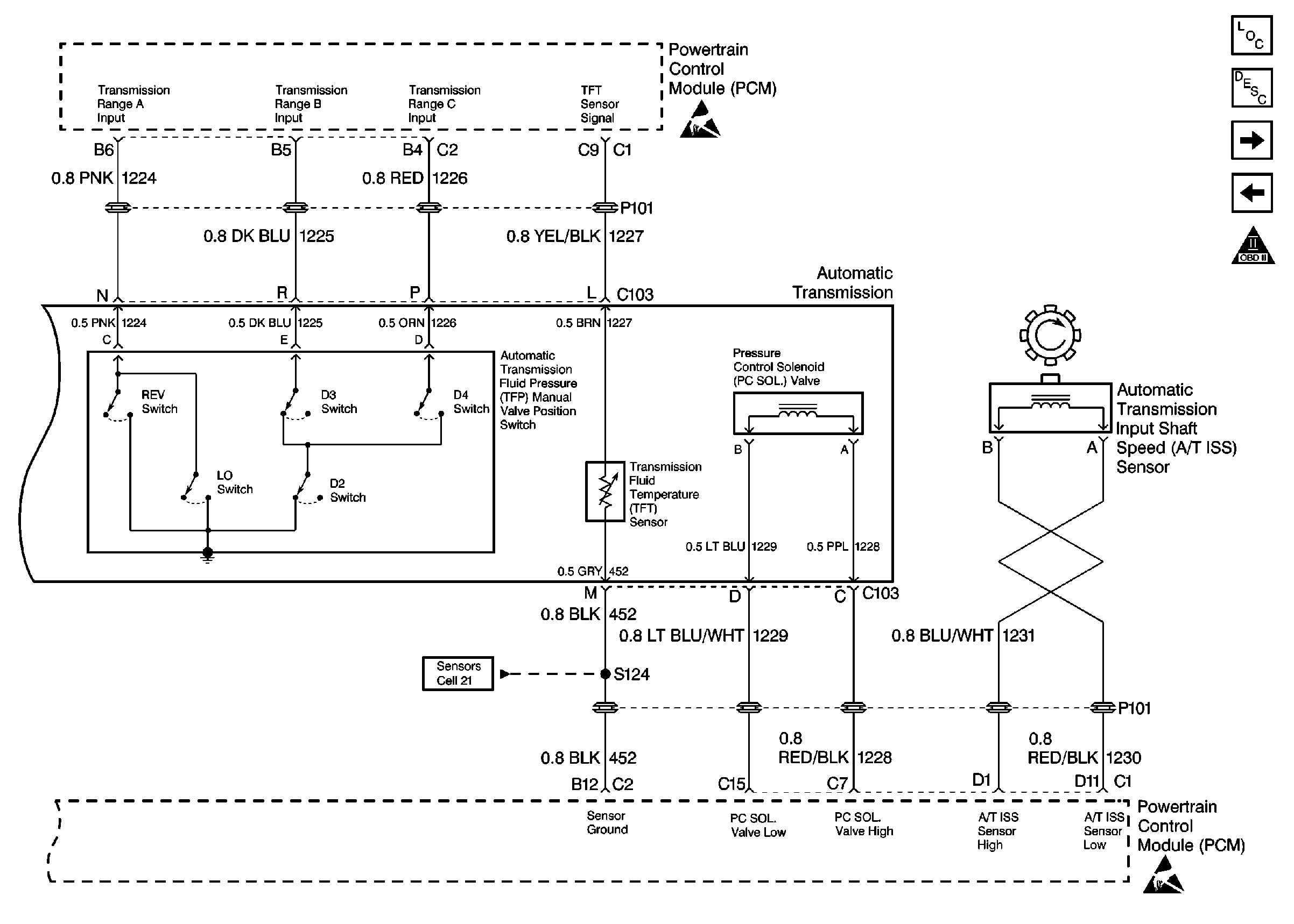
Figure 2:

Solenoid, TCC and Stoplamp Controls


Object Number: 60183  Size: FS
Automatic Transmission Components Gas Engines
Sensor, Solenoid and GND Controls
OBD II Symbol Description Notice
Information Sensors 5.7L, 7.4L
PWR and VSS Controls
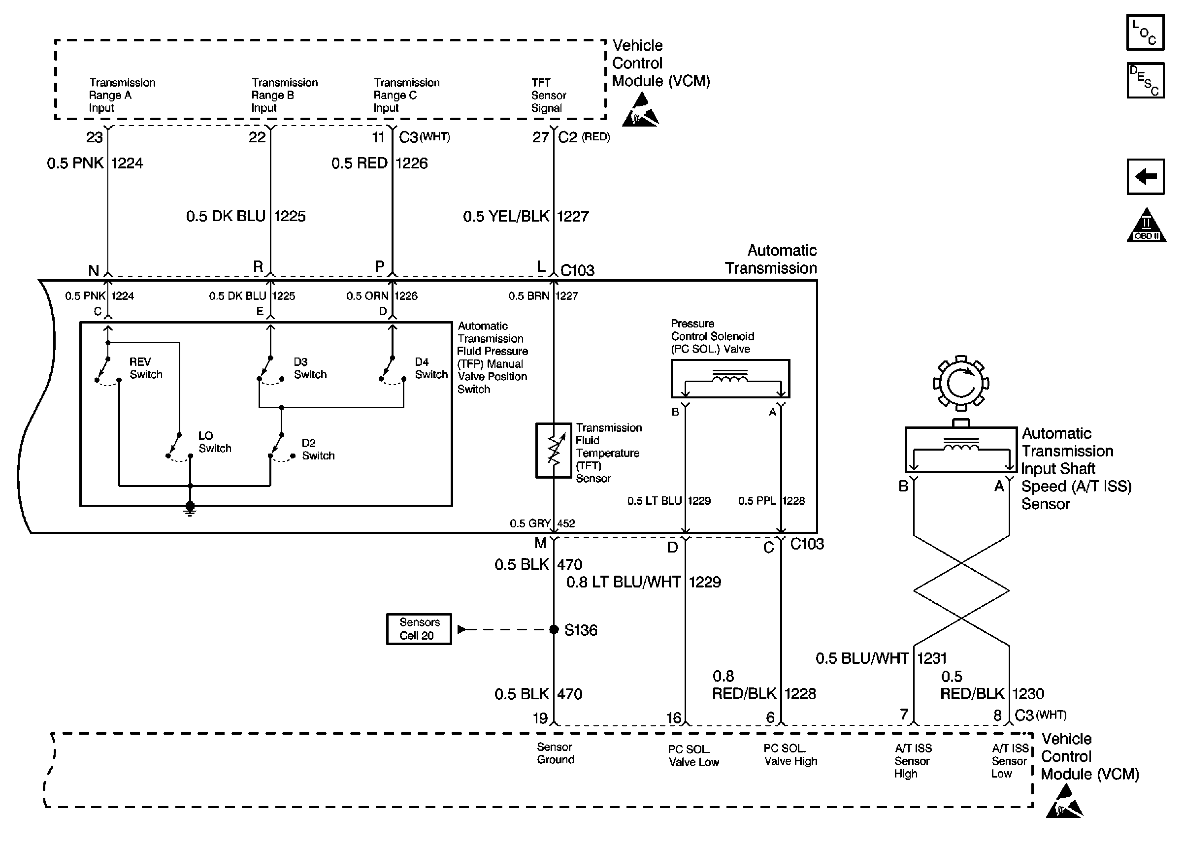
Figure 3:

Sensor, Solenoid and GND Controls


Object Number: 60184  Size: FS
Automatic Transmission Components Gas Engines
OBD II Symbol Description Notice
Information Sensors 5.7L, 7.4L
Solenoid, TCC and Stoplamp Controls
Sensor Controls 7.4L
Sensor Controls 5.0L/5.7L

Automatic Transmission Controls Schematics Diesel Engines

Figure 1:

PWR, Solenoids, TCC and Stoplamp Controls


Object Number: 60185  Size: FS
Automatic Transmission Components Diesel Engines
Sensor, Solenoid and GND Controls
OBD II Symbol Description Notice
Information Sensors 5.7L, 7.4L
Figure 2:

Sensor, Solenoid and GND Controls


Object Number: 60190  Size: FS
Automatic Transmission Components Diesel Engines
OBD II Symbol Description Notice
Information Sensors 5.7L, 7.4L
PWR, Solenoids, TCC and Stoplamp Controls
VSS and Sensor Controls
Sensor Controls
Figure 3:

VSS and Sensor Controls


Object Number: 60193  Size: FS
Automatic Transmission Components Diesel Engines
OBD II Symbol Description Notice
Information Sensors 5.7L, 7.4L
Sensor, Solenoid and GND Controls