GM Service Manual Online
For 1990-2009 cars only
Makes
🢒
Chevrolet
🢒
1997
🢒
Express
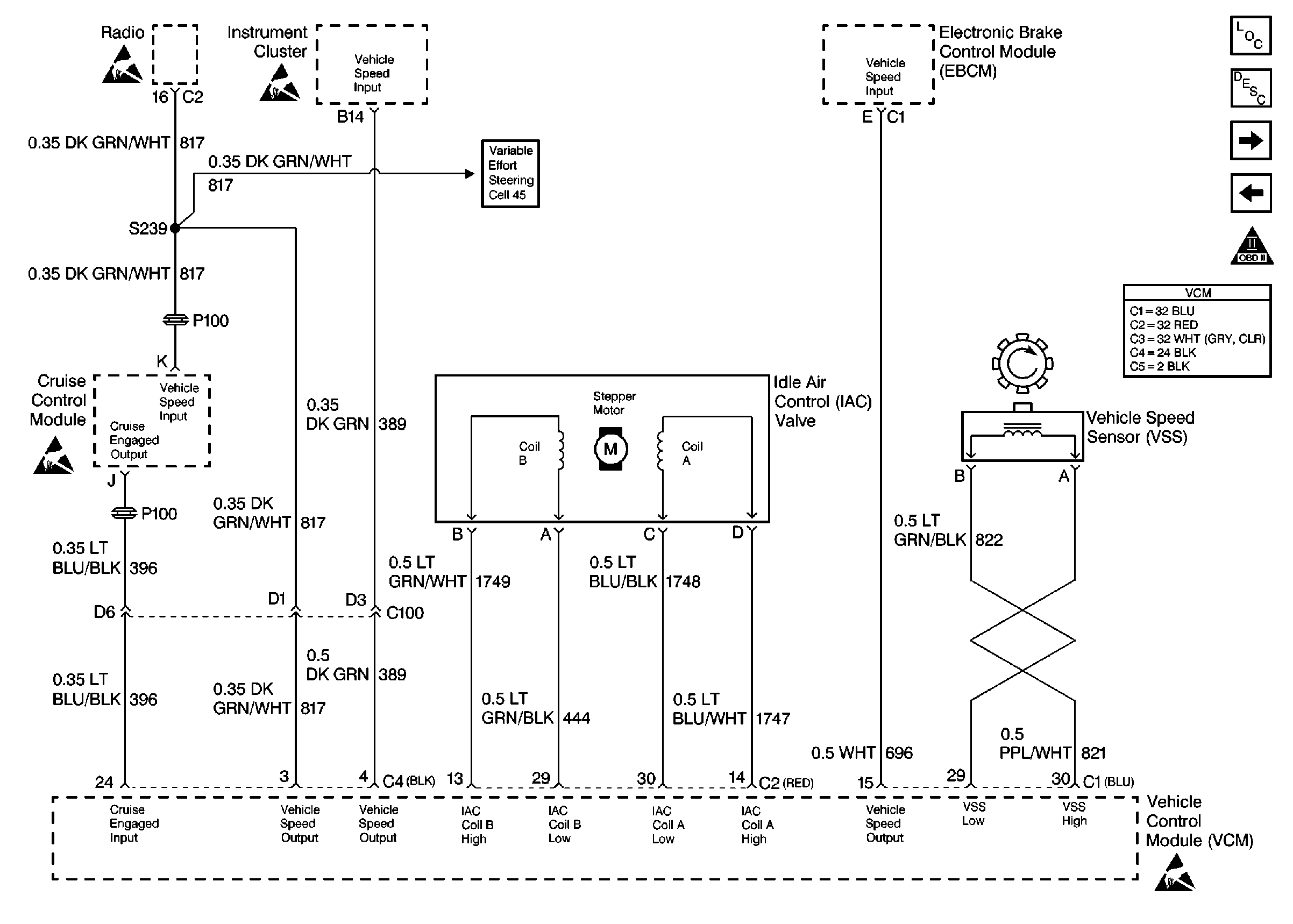
🢒 VSS and Cruise Controls
VSS and Cruise Controls