GM Service Manual Online
For 1990-2009 cars only
Makes
🢒
Chevrolet
🢒
1997
🢒
Express
🢒 Sensor Controls
Sensor Controls
Sensor Controls
Engine Controls Components
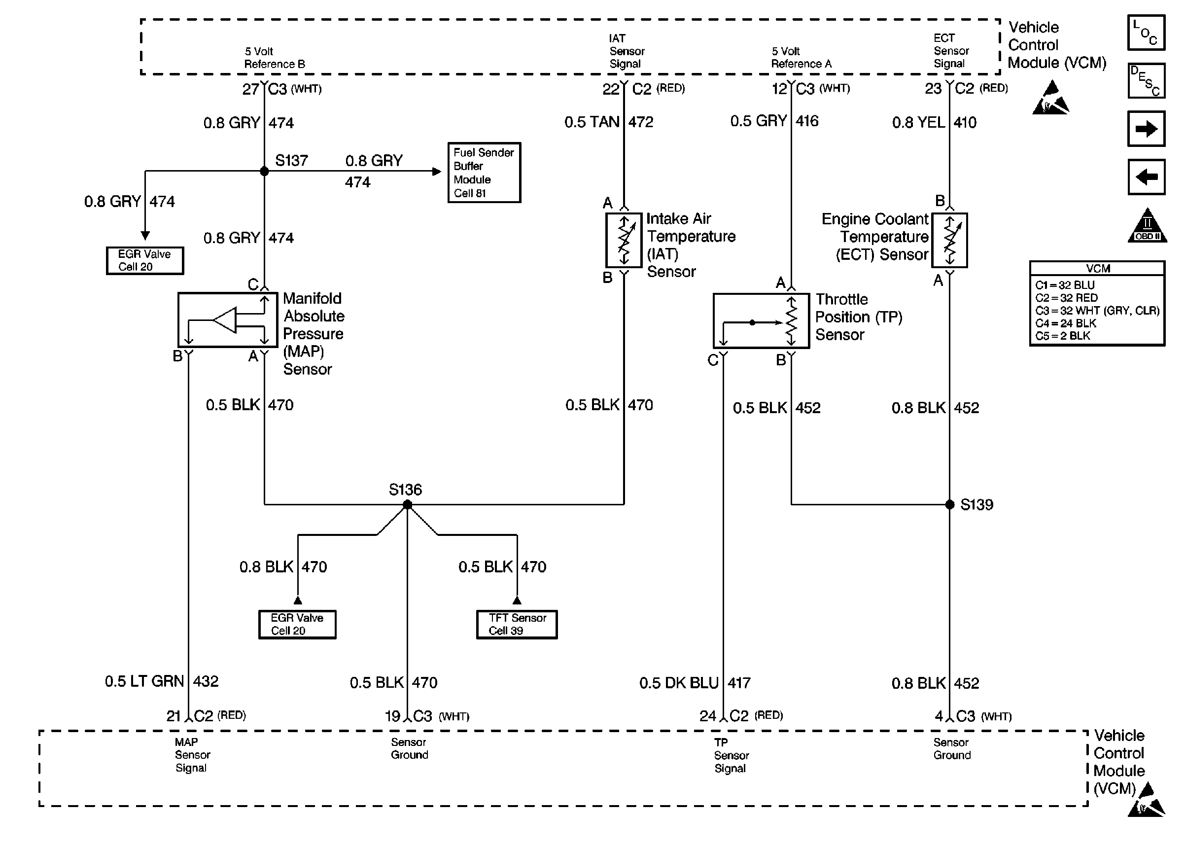
Information Sensors 4.3L, 5.0L
EGR and EVAP Controls
Fuel Injector Controls
OBD II Symbol Description Notice
EGR and EVAP Controls
EGR and EVAP Controls
Switch, Sensor and GND Controls
Sensor, Solenoid and GND Controls