GM Service Manual Online
For 1990-2009 cars only
Makes
🢒
Chevrolet
🢒
1997
🢒
Express
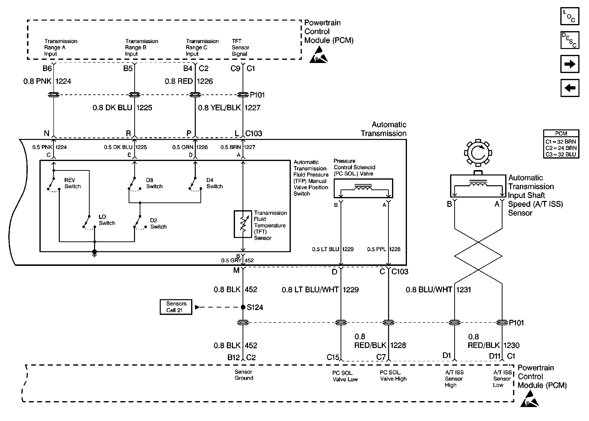
🢒 4L80-E Switch and ISS Controls
4L80-E Switch and ISS Controls
4L80-E Switch and ISS Controls
Engine Controls Components
Information Sensors
A/C Controls
4L80-E Solenoid Controls
Sensor Controls