GM Service Manual Online
For 1990-2009 cars only

Removal Procedure

  1. Remove the engine oil pan. Refer to Oil Pan Replacement .

  2. Object Number: 176043  Size: SH
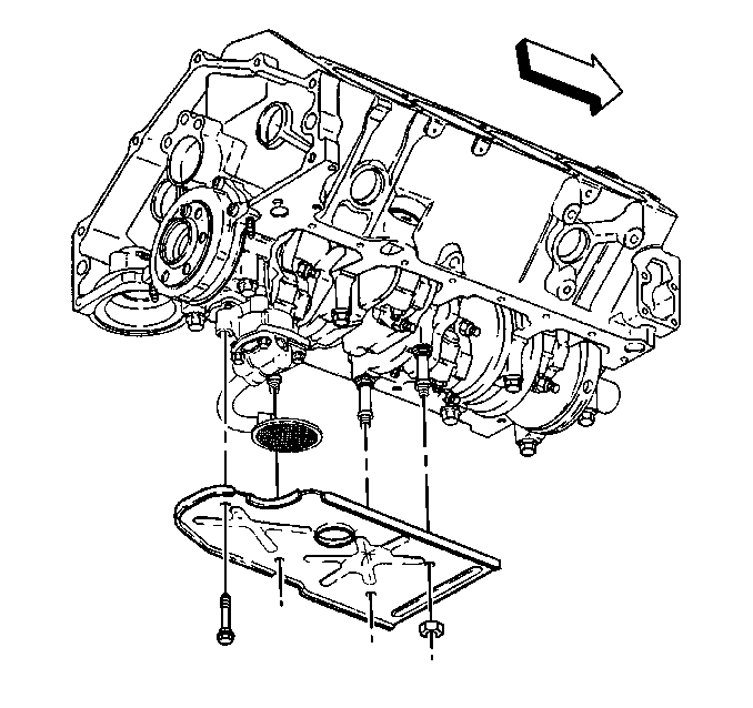
  3. Remove the crankshaft oil deflector nuts and the oil pump bolt.
  4. Remove the oil deflector.

  5. Object Number: 11438  Size: SH
  6. Remove the oil pump, the driveshaft, and the retainer.
  7. Inspect the oil pump screen and pipe assembly for looseness.
  8. If the tube is loose in the oil pump body, replace it.

    A loose screen or pipe assembly can result in an air leak and loss of oil pressure.

    For more information, refer to Oil Pump Clean and Inspect .

Installation Procedure

  1. Install the oil pump and the oil deflector. Refer to Oil Pump, Pump Screen and Deflector Installation .

  2. Object Number: 176052  Size: SH
  3. Install the engine oil pan. Refer to Oil Pan Replacement .