GM Service Manual Online
For 1990-2009 cars only

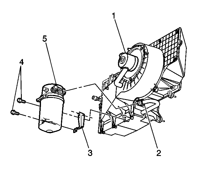
Removal Procedure

  1. Recover the refrigerant from the system. Refer to Refrigerant Recovery and Recharging .
  2. Remove the coolant recovery or the surge tank. Refer to Coolant Recovery Reservoir Replacement or Surge Tank (Diesel) Replacement in Engine Cooling.
  3. Remove the battery from the vehicle. Refer to Battery Replacement in Engine Electrical.
  4. Remove the orifice tube retainer from the evaporator cover.
  5. Remove the blower motor cover from the vehicle.
  6. Remove the A/C lines from the accumulator.
  7. Remove the electrical connectors.

  8. Object Number: 300819  Size: SH
  9. Remove the accumulator (5) and the bracket (3) from the vehicle.

Installation Procedure


    Object Number: 300819  Size: SH

    Notice: Use the correct fastener in the correct location. Replacement fasteners must be the correct part number for that application. Fasteners requiring replacement or fasteners requiring the use of thread locking compound or sealant are identified in the service procedure. Do not use paints, lubricants, or corrosion inhibitors on fasteners or fastener joint surfaces unless specified. These coatings affect fastener torque and joint clamping force and may damage the fastener. Use the correct tightening sequence and specifications when installing fasteners in order to avoid damage to parts and systems.

  1. Install the accumulator (5) and the bracket (3) to the vehicle.
  2. Tighten
    Tighten the screws to the evaporator case to 6 N·m (53 lb in).

  3. Install the electrical connectors.
  4. Install the A/C lines to the accumulator.
  5. Tighten

        • Tighten the compressor/condenser hose to the accumulator to 48 N·m (35 lb ft).
        • Tighten the evaporator outlet to the accumulator fitting to 48 N·m (35 lb ft).
  6. lnstall the blower motor cover to the vehicle.
  7. Install the orifice tube retainer to the evaporator cover.
  8. Install the battery to the vehicle. Refer to Battery Replacement in Engine Electrical.
  9. Install the coolant recovery or surge tank. Refer to Coolant Recovery Reservoir Replacement or Surge Tank (Diesel) Replacement in Engine Cooling.
  10. Recharge the refrigerant in the system. Refer to Refrigerant Recovery and Recharging .