GM Service Manual Online
For 1990-2009 cars only
Figure 1:

Cell 81 (1 of 4)


Object Number: 465857  Size: FS
Exterior Lights Schematics
Audible Warnings Schematics
Fuse Block Schematics
Ground Distribution Schematics
Ground Distribution Schematics
Ground Distribution Schematics
Fuse Block Schematics
Power Distribution Schematics
Instrument Cluster Components
Handling ESD Sensitive Parts Notice
Handling ESD Sensitive Parts Notice
Headlights/Daytime Running Lights (DRL) Schematics
Power Distribution Schematics
Cell 81 (2 of 4)
Instrument Cluster Circuit Description
Cell 81 (2 of 4)
Cell 81 (2 of 4)
Cell 81 (2 of 4)
Figure 2:

Cell 81 (2 of 4)


Object Number: 465865  Size: FS
Power Distribution Schematics
Handling ESD Sensitive Parts Notice
Handling ESD Sensitive Parts Notice
Handling ESD Sensitive Parts Notice
Handling ESD Sensitive Parts Notice
Instrument Cluster Components
Fuse Block Schematics
Ground Distribution Schematics
Instrument Cluster Circuit Description
Cell 81 (3 of 4)
Cell 81 (1 of 4)
Cell 81 (3 of 4)
Cell 81 (1 of 4)
Cell 81 (1 of 4)
Cell 81 (1 of 4)
Cell 81 (4 of 4)
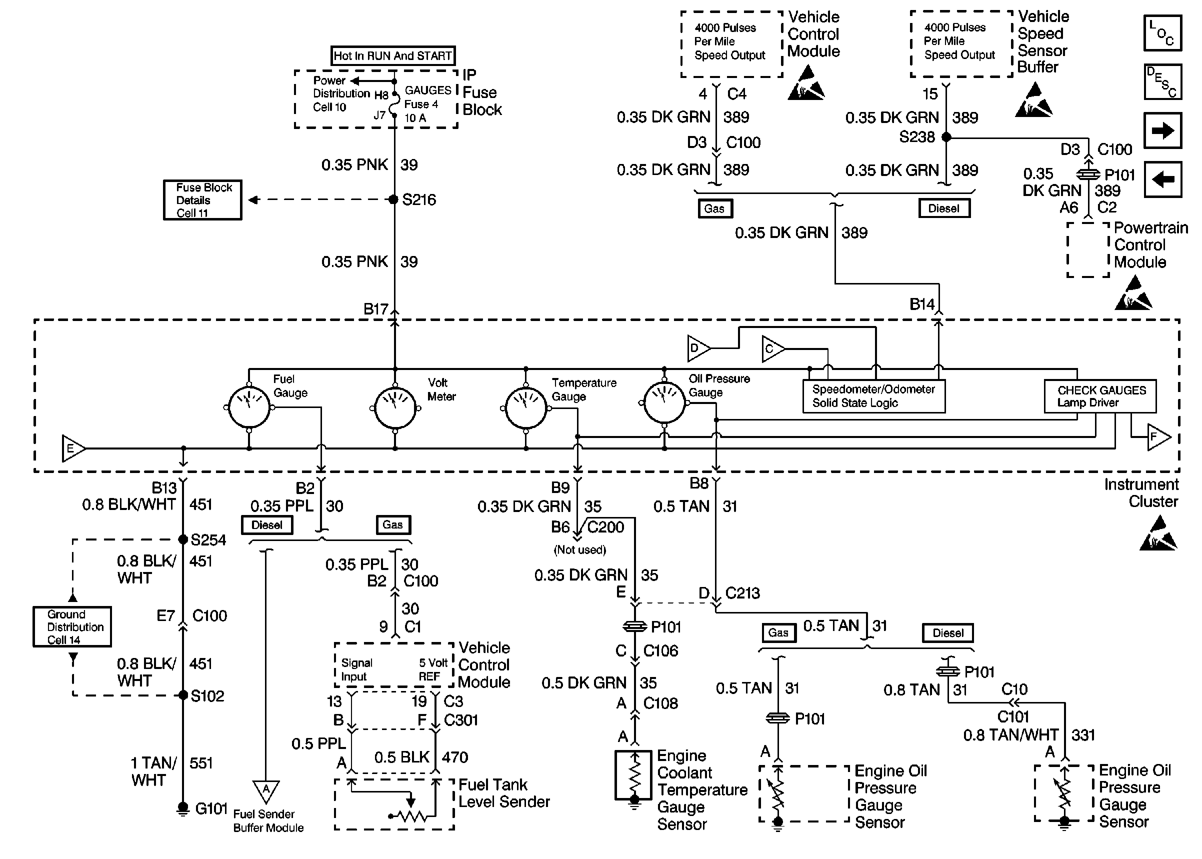
Figure 3:

Cell 81 (3 of 4)


Object Number: 465872  Size: FS
Fuse Block Schematics
Power Distribution Schematics
Handling ESD Sensitive Parts Notice
Handling ESD Sensitive Parts Notice
Handling ESD Sensitive Parts Notice
Handling ESD Sensitive Parts Notice
Handling ESD Sensitive Parts Notice
Handling ESD Sensitive Parts Notice
Handling ESD Sensitive Parts Notice
Handling ESD Sensitive Parts Notice
Handling ESD Sensitive Parts Notice
SIR Handling Caution
Ground Distribution Schematics
Instrument Cluster Components
Cell 81 (2 of 4)
Instrument Cluster Circuit Description
Cell 81 (4 of 4)
Cell 81 (2 of 4)
Cell 81 (4 of 4)
Figure 4:

Cell 81 (4 of 4)


Object Number: 465877  Size: FS
Power Distribution Schematics
Fuse Block Schematics
Fuse Block Schematics
Handling ESD Sensitive Parts Notice
Handling ESD Sensitive Parts Notice
Instrument Cluster Components
Ground Distribution Schematics
Ground Distribution Schematics
Power Distribution Schematics
Cell 81 (2 of 4)
Cell 81 (3 of 4)
Instrument Cluster Circuit Description
Cell 81 (3 of 4)