GM Service Manual Online
For 1990-2009 cars only
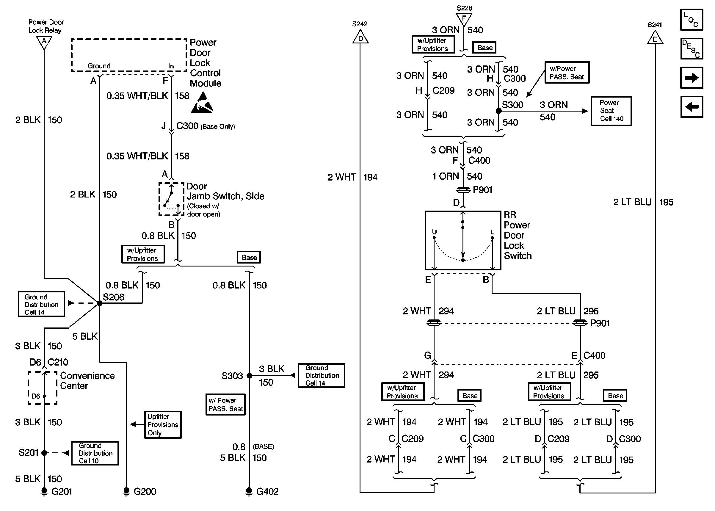
Figure 1:

Cell 130: Front Power Door Lock Switches


Object Number: 458272  Size: FS
Power Door Systems Components
Power Door Locks Circuit Description
Cell 130: Rear Power Door Lock Switch
Power Distribution Schematics
Fuse Block Schematics
Handling ESD Sensitive Parts Notice
Cell 130: Rear Power Door Lock Switch
Keyless Entry Schematics
Keyless Entry Schematics
Cell 130: Rear Power Door Lock Switch
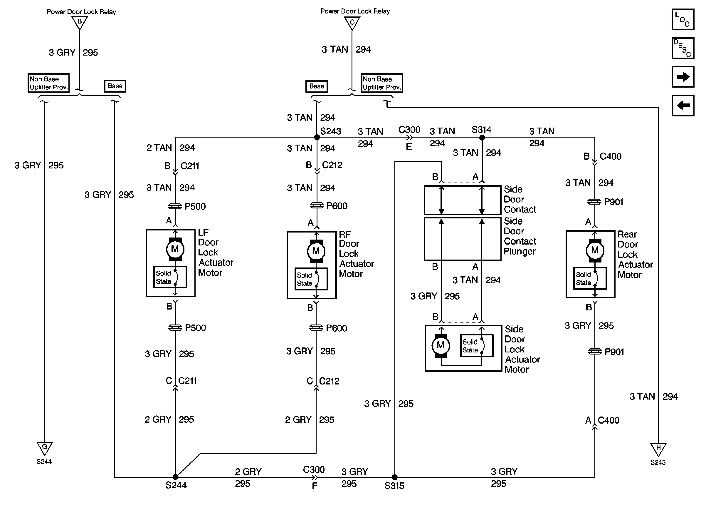
Cell 130: Door Lock Actuator Motors
Cell 130: Door Lock Actuator Motors
Cell 130: Rear Power Door Lock Switch
Cell 130: Rear Power Door Lock Switch
Figure 2:

Cell 130: Rear Power Door Lock Switch


Object Number: 458277  Size: FS
Power Door Systems Components
Power Door Locks Circuit Description
Cell 130: Door Lock Actuator Motors
Cell 130: Front Power Door Lock Switches
Cell 130: Front Power Door Lock Switches
Cell 130: Front Power Door Lock Switches
Cell 130: Front Power Door Lock Switches
Handling ESD Sensitive Parts Notice
Cell 130: Front Power Door Lock Switches
Ground Distribution Schematics
Ground Distribution Schematics
Ground Distribution Schematics
Power Seats Schematics
Figure 3:

Cell 130: Door Lock Actuator Motors


Object Number: 458288  Size: FS
Power Door Systems Components
Power Door Locks Circuit Description
Cell 130: Rear Power Door Lock Switch
Cell 130: Front Power Door Lock Switches
Cell 130: Front Power Door Lock Switches