GM Service Manual Online
For 1990-2009 cars only
Makes
🢒
Chevrolet
🢒
1998
🢒
Express
🢒 Cell 20: 4L80-E Transmission Switch Controls
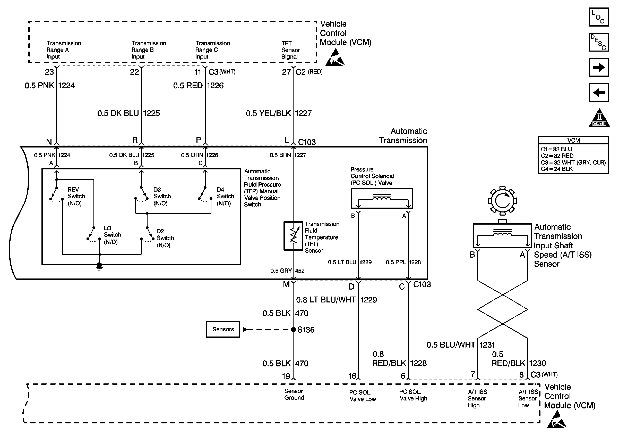
Cell 20: 4L80-E Transmission Switch Controls
Cell 20: 4L80-E Transmission Switch Controls
Engine Controls Components
Information Sensors/Switches Description
Cell 20: A/C Controls
Cell 20: 4L80-E Transmission Solenoid Controls
OBD II Symbol Description Notice
Cell 20: Sensor Controls
Engine Controls Schematic Icons
Engine Controls Schematic Icons
VCM Connector End Views