GM Service Manual Online
For 1990-2009 cars only
Makes
🢒
Chevrolet
🢒
1998
🢒
Express
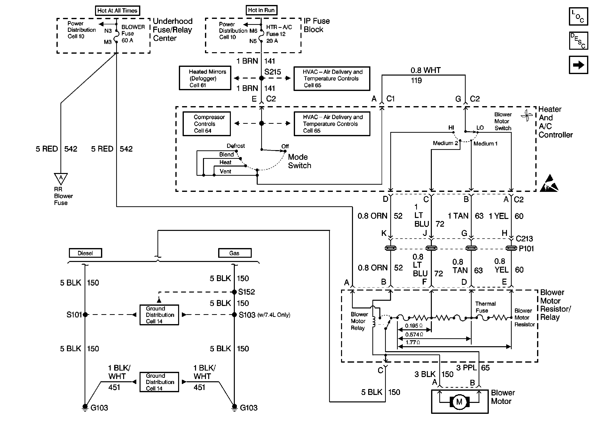
🢒 Cell 60: BLOWER and HTR-A/C Fuses, Blower Motor, G103
Cell 60: BLOWER and HTR-A/C Fuses, Blower Motor, G103
Cell 60: BLOWER and HTR-A/C Fuses, Blower Motor, G103
Heater Blower Controls Components
Heater Blower Controls Circuit Description
Cell 60: RR BLOWER and RR HVAC Fuses, Auxiliary Blower Motor, G400
Cell 10: Ignition Switch, RR BLOWER, RR HVAC, BRAKE, HTR AC, CRUISE, RADIO, WIPER, PWR WDO, TRANS, CRANK Fuses
Cell 10: Battery, AUX A, AUX B, BLOWER, IGN-B, IGN-A, ABS, BATT, LIGHTING, ECM-B, HORN, and A/C Fuses, Inline Fuse 30 A (Gasoline Engines)
Cell 60: RR BLOWER and RR HVAC Fuses, Auxiliary Blower Motor, G400
Cell 65: HTR-A/C Fuse, Front Heater and A/C Controller, G201
Cell 65: HTR-A/C Fuse, Front Heater and A/C Controller, G201
Cell 147: Heated Outside Mirrors
Cell 64: HTR-A/C Fuse, A/C Compressor High Pressure Cutoff Switch, A/C Compressor Low Pressure Cutout Switch (Diesel), G201
Ground Distribution Schematics Domestic
Ground Distribution Schematics Domestic
Handling ESD Sensitive Parts Notice