GM Service Manual Online
For 1990-2009 cars only
Makes
🢒
Chevrolet
🢒
1998
🢒
Express
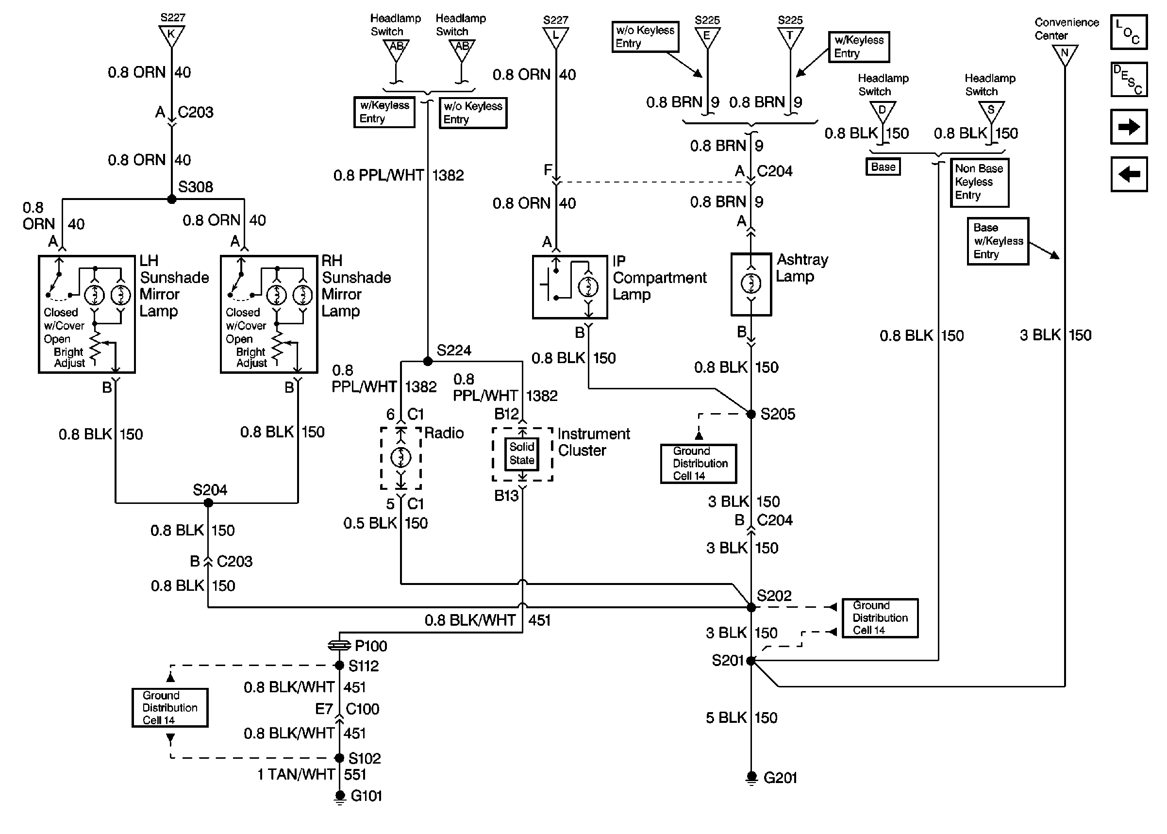
🢒 Cell 114: IP Compartment Lamp, Ashtray Lamp, Sunshade Mirror Lamps,G101, G201
Cell 114: IP Compartment Lamp, Ashtray Lamp, Sunshade Mirror Lamps,G101, G201
Cell 114: IP Compartment Lamp, Ashtray Lamp, Sunshade Mirror Lamps, G101, G201
Lighting Systems Components
Cell 114: Stepwell Lamps
Cell 114: CTSY Fuse, Dome Lamps, Left Stepwell Lamp
Cell 114: CTSY Fuse, Dome Lamps, Left Stepwell Lamp
Cell 114: PWR ACCY, GAUGES, PARK LPS Fuses; Illuminated Entry Module,G200 (w/o Keyless Entry)
Cell 114: PWR ACCY, GAUGES, PARK LPS Fuses; Illuminated Entry Module,G200 (w/o Keyless Entry)
Cell 114: CTSY Fuse, Dome Lamps, Left Stepwell Lamp
Cell 114: PWR ACCY, GAUGES, PARK LPS Fuses; Illuminated Entry Module,G200 (w/o Keyless Entry)
Cell 114: PWR ACCY, GAUGES, PARK LPS Fuses, G200 (w/ Keyless Entry)
Cell 114: PWR ACCY, GAUGES, PARK LPS Fuses; Illuminated Entry Module,G200 (w/o Keyless Entry)
Cell 114: PWR ACCY, GAUGES, PARK LPS Fuses, G200 (w/ Keyless Entry)
Ground Distribution Schematics
Ground Distribution Schematics
Ground Distribution Schematics
Interior Lights Circuit Description
Cell 114: PWR ACCY, GAUGES, PARK LPS Fuses, G200 (w/ Keyless Entry)