GM Service Manual Online
For 1990-2009 cars only
Makes
🢒
Chevrolet
🢒
1998
🢒
Express
🢒 Cell 133
Cell 133
Cell 133
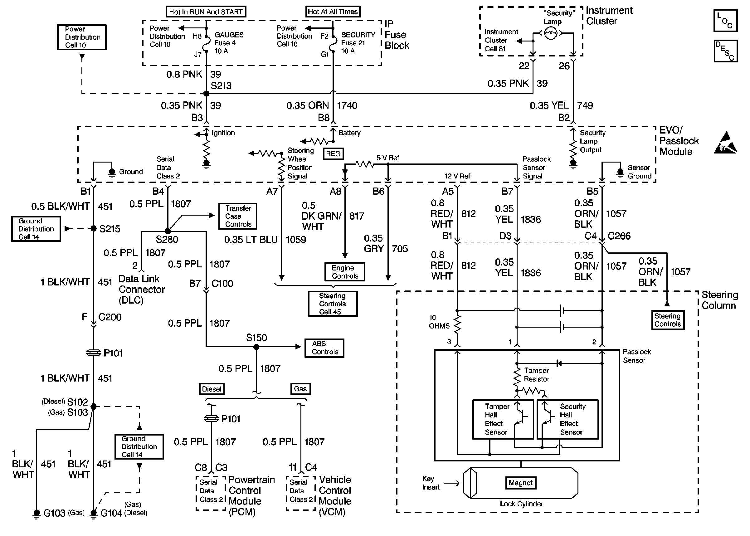
Vehicle Theft Deterrent (VTD) Description
Cell 11: GAUGES Fuse
Cell 14: G103 and G104
Automatic Transfer Case, Encoder Motor
Cell 10: LIGHTING and BATTERY Fuses
Cell 11: GAUGES Fuse
Indicator Lamps
Theft Deterrent System Components
Handling ESD Sensitive Parts Notice
Variable Effort Steering
ABS Schematics
Variable Effort Steering
VSS and Cruise Controls
Cell 14: G104 Diesel