GM Service Manual Online
For 1990-2009 cars only
Makes
🢒
Chevrolet
🢒
1999
🢒
Express
🢒
Body and Accessories
🢒
Lighting Systems
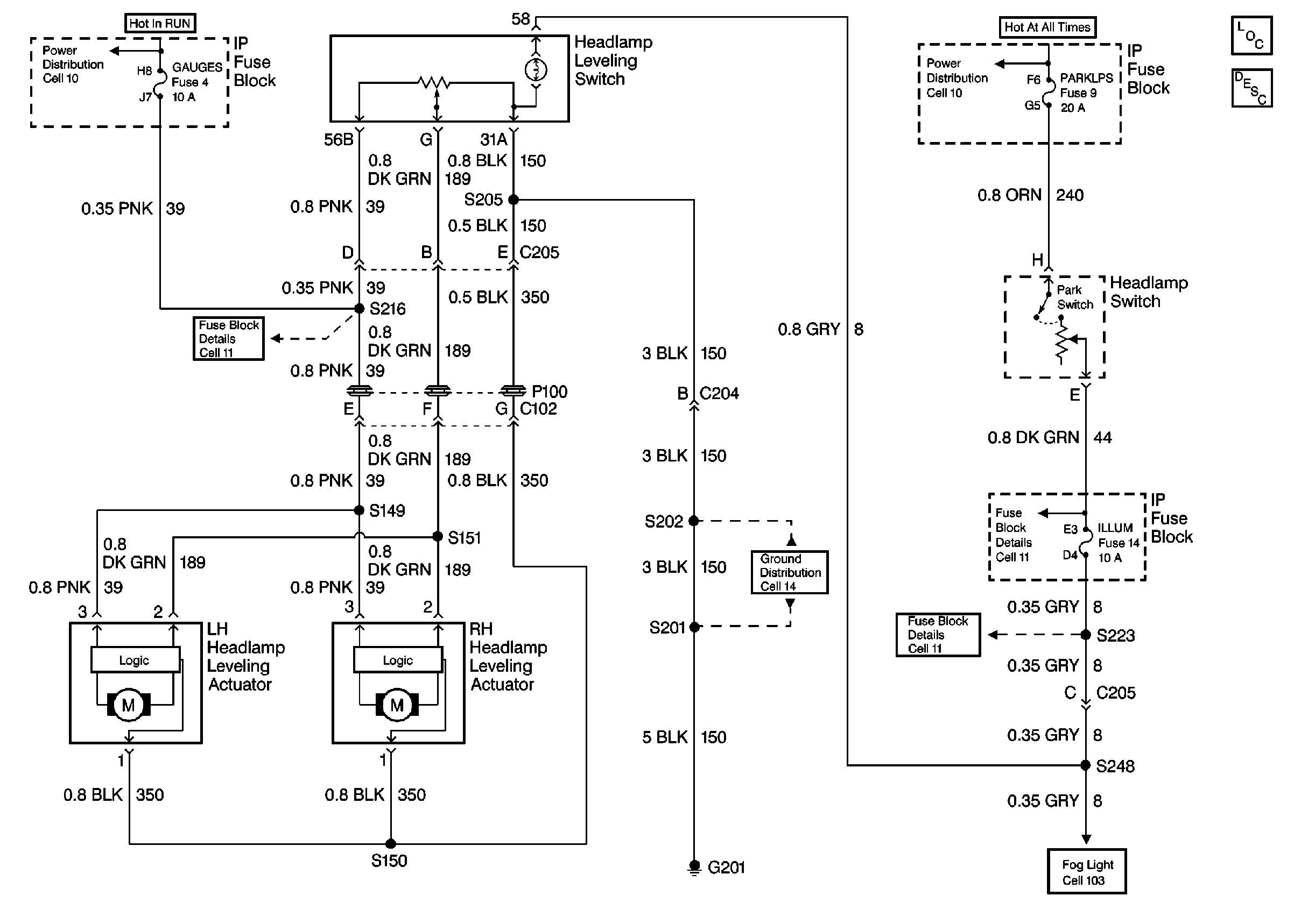
🢒 Headlight Leveling Schematics
Cell 105