GM Service Manual Online
For 1990-2009 cars only
Makes
🢒
Chevrolet
🢒
1999
🢒
Express
🢒
Body and Accessories
🢒
Wiring Systems
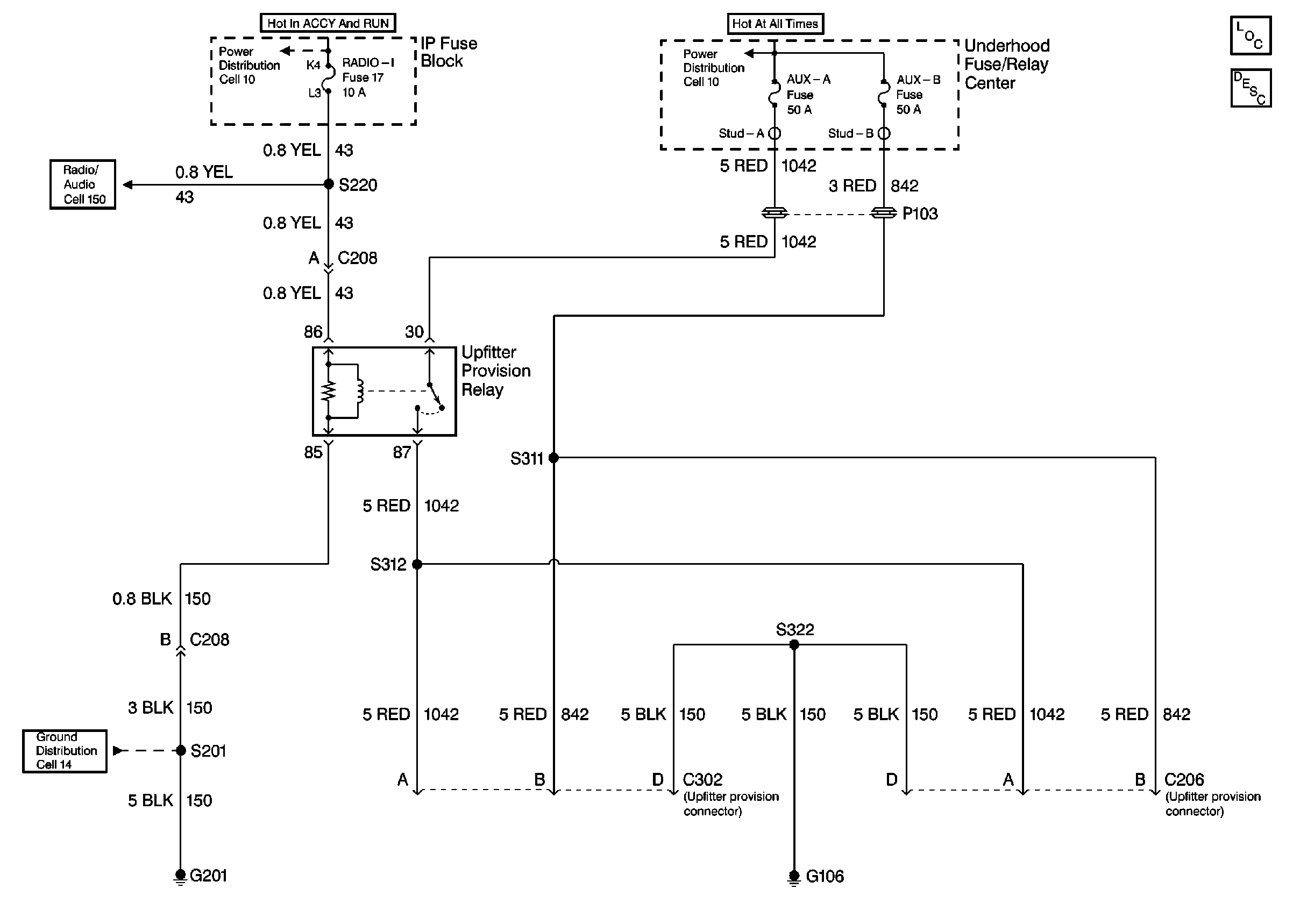
🢒 Upfitter Provision Schematics
Cell 18
Power and Grounding Components
Upfitter Provision Circuit Description
Power Distribution Schematics Domestic
Power Distribution Schematics Domestic
Radio/Audio System Schematics
Ground Distribution Schematics Domestic