GM Service Manual Online
For 1990-2009 cars only
Makes
🢒
Chevrolet
🢒
1999
🢒
Express
🢒
Body and Accessories
🢒
Instrument Panel, Gauges, and Console
🢒 Audible Warnings Schematics
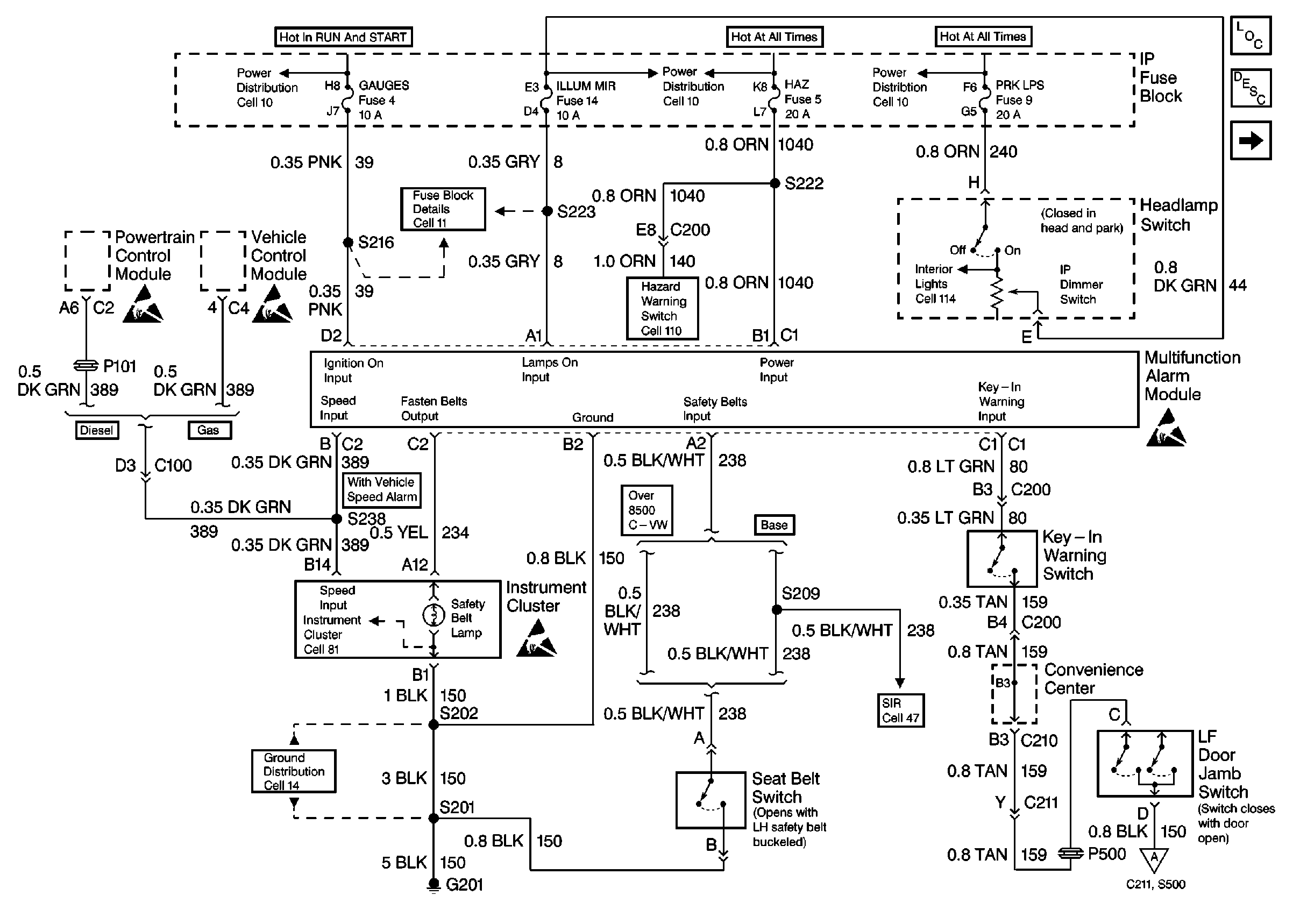
Figure
1:
Cell 76: GAUGES, ILLUM, HAZARD, PARK LPS Fuses; Multi-Function Alarm Module; Left Front Door Jamb Switch; G201
Lighting Systems Components Export
Headlights Circuit Description Export
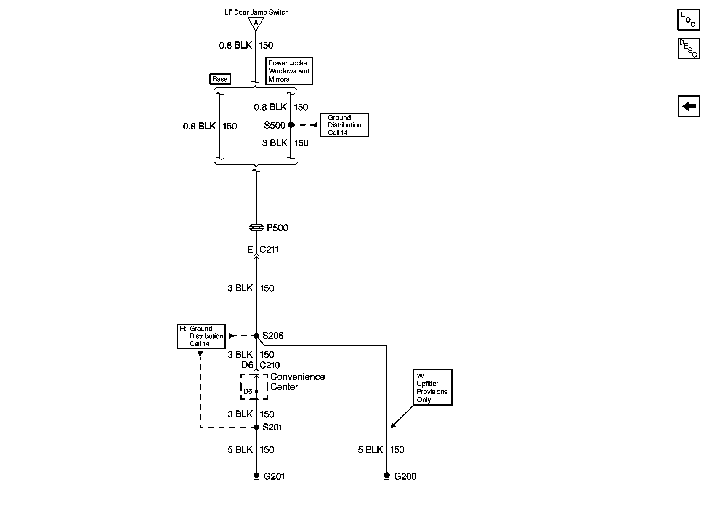
Cell 76: G200
Power Distribution Schematics Export
Power Distribution Schematics Export
Power Distribution Schematics Export
Fuse Block Schematics Export
Exterior Lights Schematics Export
Interior Lights Schematics
Handling ESD Sensitive Parts Notice
Handling ESD Sensitive Parts Notice
Handling ESD Sensitive Parts Notice
Instrument Cluster: Analog Schematics Export
Ground Distribution Schematics Export
Handling ESD Sensitive Parts Notice
Cell 76: G200
Figure
2:
Cell 76: G200
Lighting Systems Components Export
Headlights Circuit Description Export
Cell 76: GAUGES, ILLUM, HAZARD, PARK LPS Fuses; Multi-Function Alarm Module; Left Front Door Jamb Switch; G201
Cell 76: GAUGES, ILLUM, HAZARD, PARK LPS Fuses; Multi-Function Alarm Module; Left Front Door Jamb Switch; G201
Ground Distribution Schematics Export
Ground Distribution Schematics Export