GM Service Manual Online
For 1990-2009 cars only
Makes
🢒
Chevrolet
🢒
1999
🢒
Express
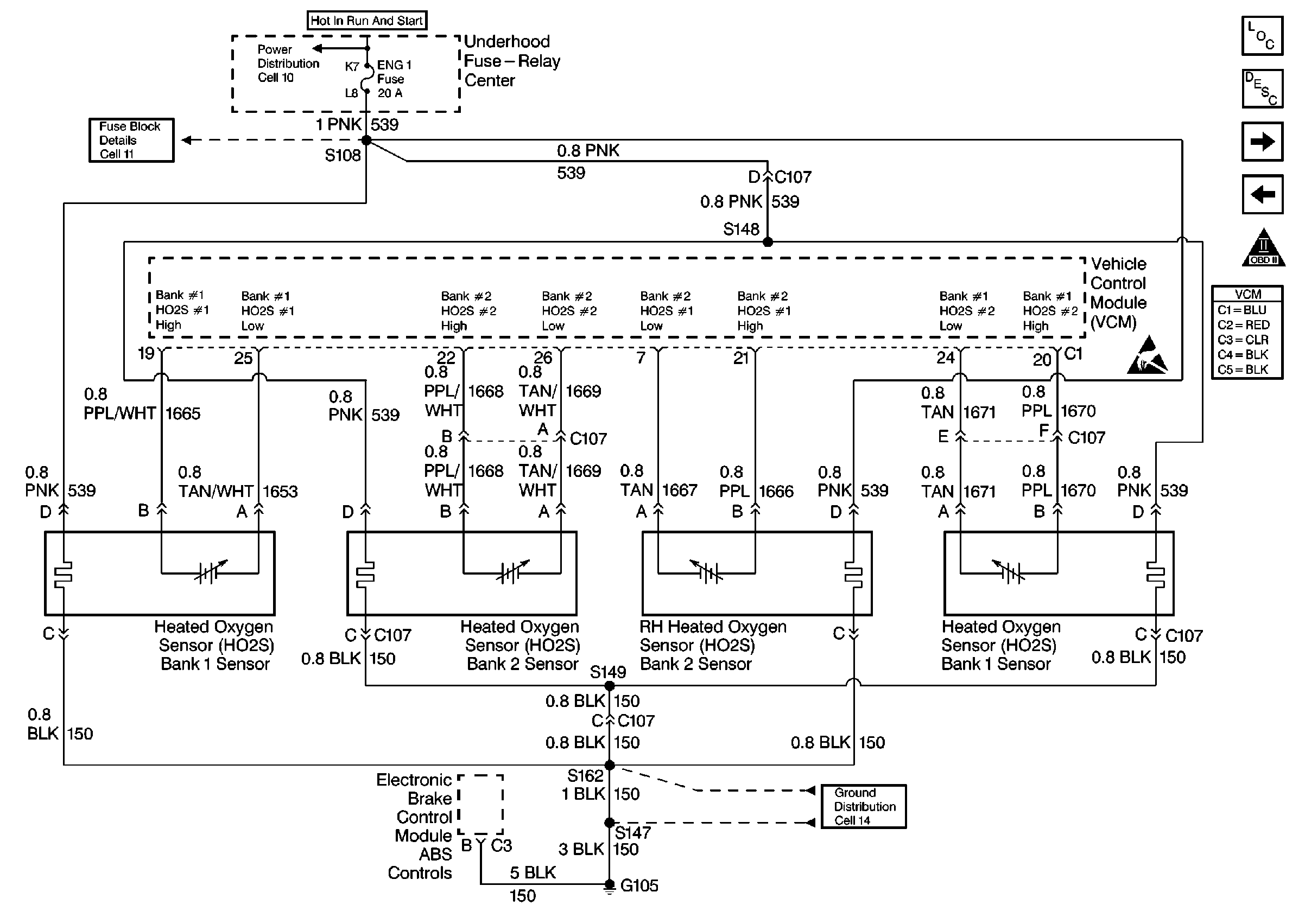
🢒 HO2S Controls
HO2S Controls
HO2S Sensors
Engine Controls Components
Information Sensors/Switches Description
4WD and IAC Controls
EVAP, EGR and MAF Sensor Controls
OBDII Symbol Description Notice