GM Service Manual Online
For 1990-2009 cars only
Makes
🢒
Chevrolet
🢒
1999
🢒
Express
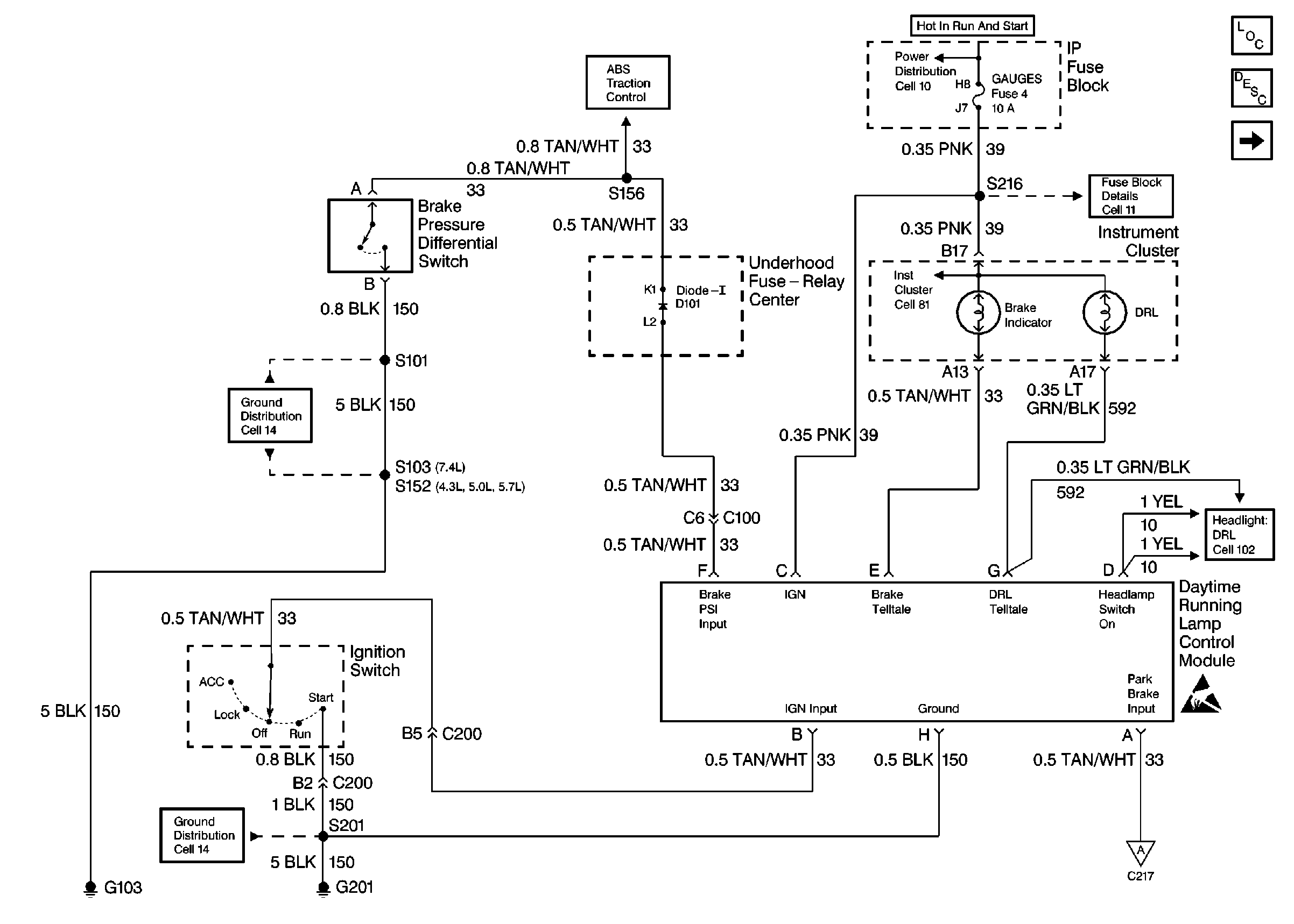
🢒 Cell 41: PWR, GND and DRL Module
Cell 41: PWR, GND and DRL Module
Cell 41: PWR, GND and DRL Module
Hydraulic Brakes Components
Brake Warning System Operation
Cell 41: PWR, Switch and Alarm Delay Module
Hydraulic Brakes Schematic References
Hydraulic Brakes Schematic References
Hydraulic Brake Schematic Icons