GM Service Manual Online
For 1990-2009 cars only
Makes
🢒
Chevrolet
🢒
1999
🢒
Express
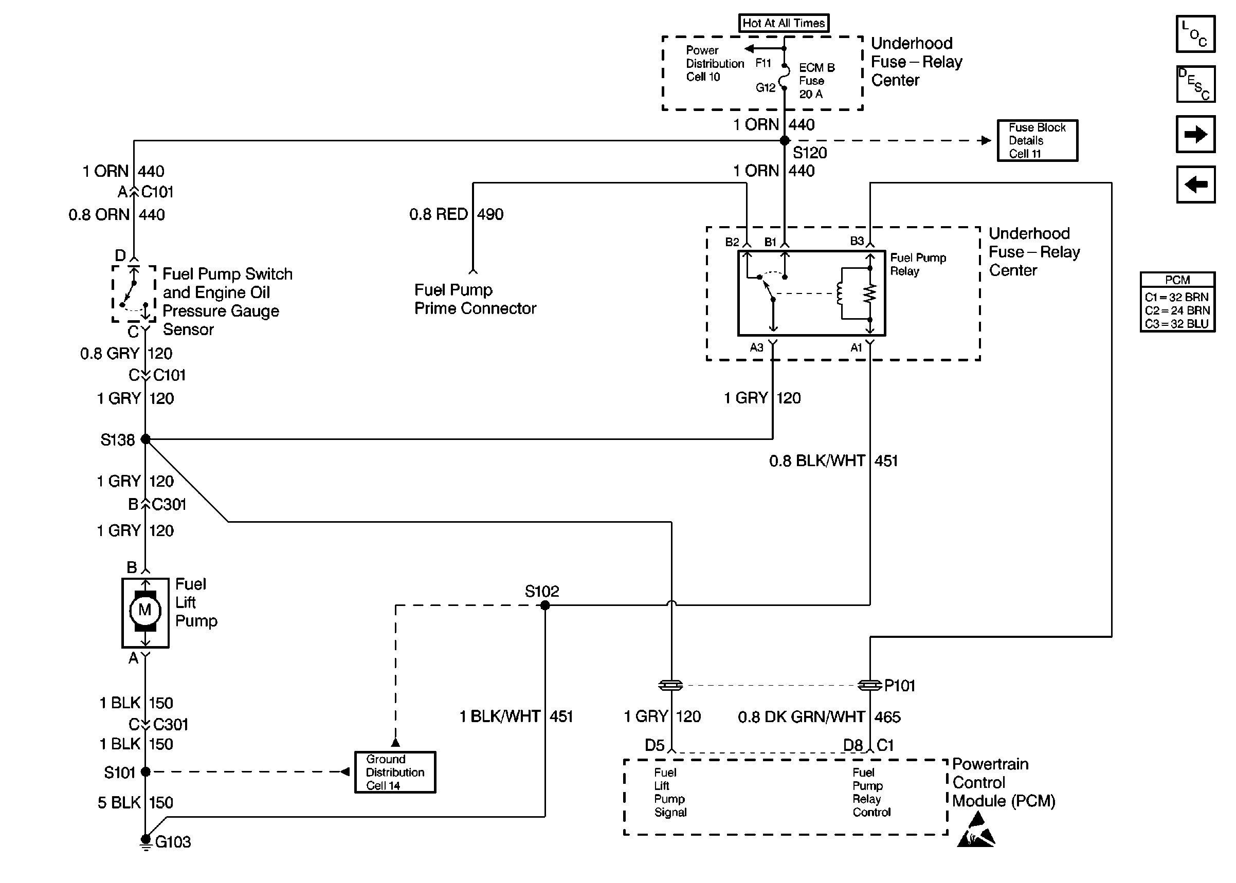
🢒 Cell 22: Fuel Pump Controls
Cell 22: Fuel Pump Controls
Cell 22: Fuel Pump Controls
Engine Controls Components
Information Sensors/Switches Description
Cell 22: Fuel Controls
Cell 22: Glow Plug Controls
Powertrain Control Module Connector End Views
Handling ESD Sensitive Parts Notice
Cell 22: Glow Plug Controls
Power Distribution Schematics
Fuse Block Schematics
Ground Distribution Schematics