GM Service Manual Online
For 1990-2009 cars only
Makes
🢒
Chevrolet
🢒
1999
🢒
Express
🢒 Cell 30: Diesel Engines
Cell 30: Diesel Engines
Cell 30: Diesel Engines
Engine Electrical Components
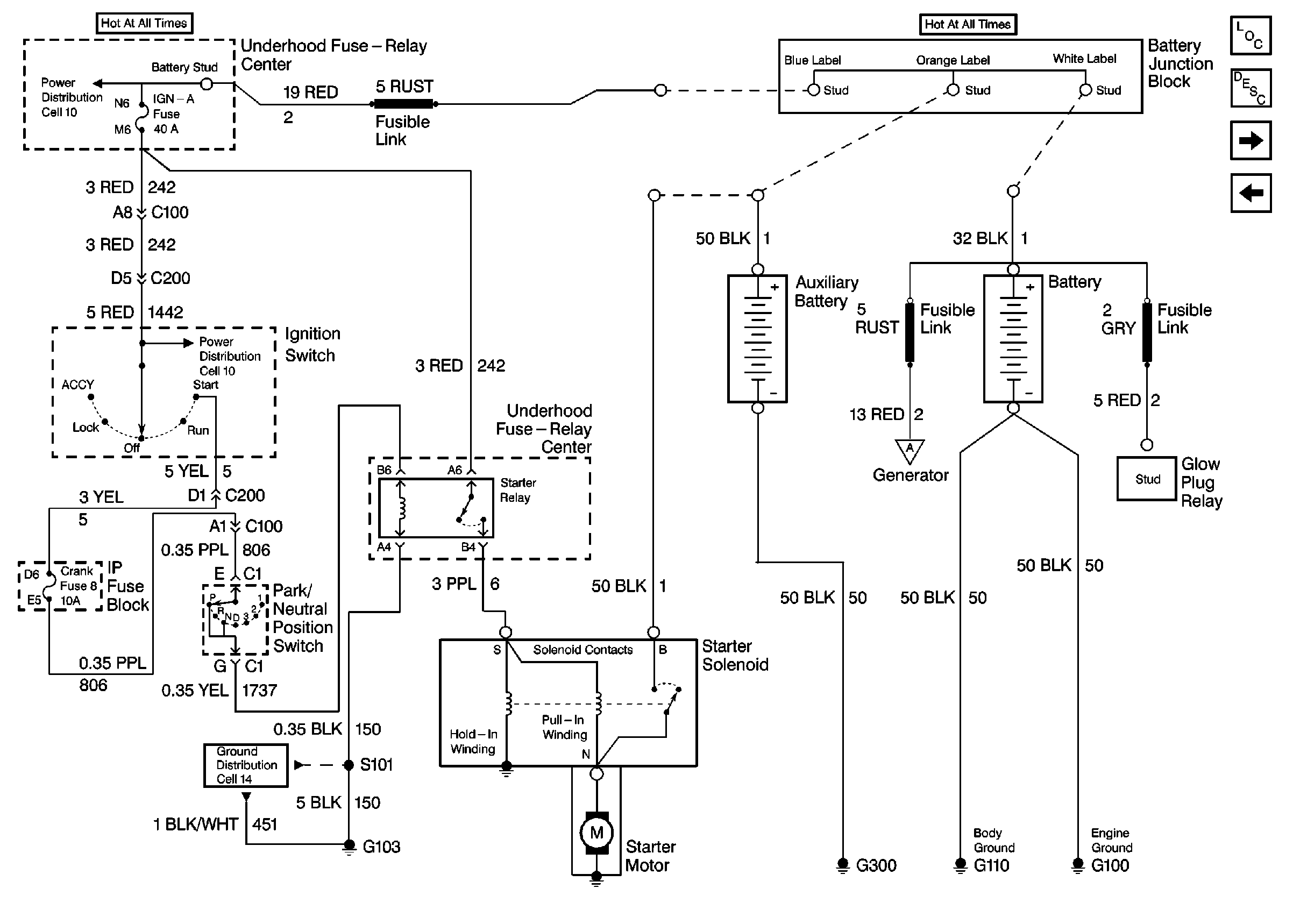
Starting System Operation
Cell 30: Charging System
Cell 30: Gasoline Engines
Power Distribution Schematics
Power Distribution Schematics
Ground Distribution Schematics